Блоки под капотом
Блок предохранителей
Находится справа, около аккумулятора и состоит из плавких вставок.
p, blockquote 19,0,0,0,0 —>
p, blockquote 20,0,0,0,0 —>
Назначение
p, blockquote 21,0,0,0,0 —>
Автомобилей с ABS (БПР-4)
- 60А Световая цепь и плюсовая цепь генератора
- 40А АБС
- 25А АБС
- 60А Общая плюсовая цепь автомобиля, кроме световой, генераторной, АБС и цепи стартера
Автомобили без ABS (БПР-2)
- 90А Световая цепь и плюсовая цепь генератора
- 60А Общая плюсовая цепь автомобиля, кроме световой, генераторной и цепи стартера
Цепь стартера рассчитана на большой кратковременный ток, поэтому предохранителя в цепи нет.
p, blockquote 22,0,0,0,0 —>
Блок с реле
Схема
p, blockquote 23,0,0,0,0 —>

p, blockquote 24,0,0,0,0 —>
Обозначение
p, blockquote 25,0,0,0,0 —>
| 1 | Главное реле |
| 2 | Реле электромагнитной муфты включения вентилятора системы охлаждения |
| 3 | Реле топливного насоса |
| 4 | Реле стартера |
Электро щиток
Старого образца
схема
p, blockquote 27,0,0,0,0 —>

p, blockquote 28,0,0,0,0 —>
Расшифровка
p, blockquote 29,0,0,0,0 —>
| 651.3747 | Реле стартера 651.3747 |
| Б116.3705 | Катушка зажигания Б116 |
| 1412-3733 | Блок управления ЭПХХ 1412.3733 |
| 13.3734-01 | Коммутатор транзисторный 13.3734-01 |
| 13.3702-01 | Регулятор напряжения 13.3702-01 |
| 1902.3741 | Клапан электромагнитный (1902.3741000) |
Нового образца
Подойдет для двигатель Chrysler 2,4 L DОНС
p, blockquote 30,0,0,0,0 —>
Схема
p, blockquote 31,0,0,0,0 —>

p, blockquote 32,0,0,0,0 —>
Назначение элементов
p, blockquote 33,0,0,0,0 —>
| 15 | Реле 85.3747 |
| 16 | Реле осушителя 90.3747-10 |
| 17 | Реле 113.3747-10 |
| 19 | Блок управления МИКАС 11СR |
Схема соединений переднего жгута проводов ГАЗель-Бизнес
Вторая причина, почему стоит купить именно этот вариант панели — функционал и увеличенное количество возможностей следить за работоспособностью автомобиля.

Ремонт комбинации приборов производите блочной заменой неисправных приборов. Можно пустить провод к концевику на водительской двери. Выше уже упоминался блок реле и предохранителей, в котором сейчас размещаются все реле, а не крепятся под рулевой колонкой как на предыдущих моделях.

Предохранители необходимы для того, чтобы в случае короткого замыкания не горела проводка, и не выходили из строя потребители.

Наиболее простой в плане подключения является задняя часть автомобиля, где требуется лишь закрепить жгут и подключить задние фонари и датчик уровня топлива в бензобаке. Х3 — розетка переносной лампы. Подключить к белому проводу с черной полоской. Лучше всего начинать с середины электроцепи и сначала проверять легкодоступные места.

Схема Газель бизнес:. Прибор показывает частоту вращения коленчатого вала двигателя; 27 — контрольная лампа разряда аккумуляторной батареи. Если стартер неисправен, машину можно завести с толкача. В этом же блоке находится и диагностический разъём.
О классических внедорожниках Уаз и автомобилях повышенной проходимости

Подключить к черному проводу. Для того чтобы обнулить показания счетчика, необходимо нажать кнопку; 25 — счетчик суточного пробега автомобиля. Схема двигателя Газель бизнес зависит от установленного двигателя.
Поэтому при смене силового агрегата на другой тип двигателя например, ЗМЗ карбюратор на ЗМЗ инжектор всю проводку менять вовсе необязательно, достаточно только сменить подкапотные провода. Соответственно, и провода прокладываются в другом месте, имея другую длину.
Схема Газель бизнес:. Реле поворотов и аварийной сигнализации, теперь находится на рулевой колонке под верхней крышкой. Повреждения ремня также не допускаются — при их наличии нужно задуматься о скорой замене. Плохой контакт оборудования с электросетью. Также нужно следить за натяжением ремня генератора — он не должен быть перетянут или не дотянут. принцип работы генератора
Группа контактная замка зажигания ГАЗ-3302 7 контактов ДААЗ 33023704 — Оставить отзыв
Распечатать Главная Запчасти для наших машин и тракторов 60
1
Есть в наличии
Доступно для заказа — >10 шт.Данные обновлены: 12.08.2019 в 03:30
Характеристики
Сообщить о неточностив описании товара
Отзывы о товаре
Сертификаты
Обзоры
Все обзоры участвуют в конкурсе — правила конкурса.
- Для этого товара еще нет обзоров. Написать обзор
Статьи о товаре
Наличие товара на складах и в магазинах, а также цена товара указана на 12.08.2019 03:30.
Цены и наличие товара во всех магазинах и складах обновляются 1 раз в час. При достаточном количестве товара в нужном вам магазине вы можете купить его без предзаказа.
Интернет-цена — действительна при заказе на сайте или через оператора call-центра по телефону 8-800-600-69-66. При условии достаточного количества товара в момент заказа.
Цена в магазинах — розничная цена товара в торговых залах магазинов без предварительного заказа.
Представленные данные о запчастях на этой странице несут исключительно информационный характер.
www.avtoall.ru
Электросхемы — Клуб Газелистов России
Схема управления двигателем ЗМЗ 40524 ЕВРО3
Схемы, звуковые сигналы, прикуриватель розетка, магнитола, обогрев сидения водителя, блокируемый дифференциал для автомобиля ГАЗель Некст
Схемы электростеклоподемники, электропривод и обогрев зеркал, стеклоочиститель ГАЗель Некст
Схема комбинации приборов, центрального замка, плафона освещения водителя ГАЗель Некст
Схема системы отопления и предпускового подогревателя газель некст
Схема наружного освещения для автомобиля семейства Газель Некст A21R23
Схема Выключатель приборов и стартера, блок реле и предохранителей в салоне Газель Некст A21R23
Схема блок реле и предохранителей по капотом для автомобиля Газель Некст A21R23 и его модификаций
Схема электрическая принципиальная управления двигателем автомобиля ГАЗель Next
Схема электрическая принципиальная автомобилей семейств ГАЗель, Соболь с двигателем Cummins isf 2.8
Схема электрическая АБС 8.1 тормозов автомобиля Соболь-Бизнес 4х2 с двигателем Cummins от 07.11
Схема электрическая принципиальная автомобиля ГАЗель с двигателем УМЗ с ГБО Евро-4 сжиженный газ
Схема электрическая принципиальная управления двигателем ГАЗель с УМЗ с ГБО Евро-4 сжиженный газ.
Схема электрическая принципиальная автомобиля Соболь Бизнес 4х4 с двигателем Cummins.
Схема электрическая принципиальная автомобиля ГАЗель-Бизнес 4х4 с двигателем Cummins.
монтаж проводки своими руками, видео, фото
После рестайлинга в 2003 и 2010 году популярный в России грузовик получил и новое имя — «Газель-Бизнес». Но не только приставку к названию и измененную облицовку получил автомобиль – доработке подверглись более 20 узлов, а всего в конструкцию автопроизводителем было внесено 130 изменений, включая и переработанную электрическую схему.
Если сравнивать первенца, увидевшего свет в далеком 1994 году и новинкой, то переделки оказались существенными. Накопленный за годы эксплуатации опыт обслуживания позволил сформулировать задачи для конструкторов и инженеров, которые и были реализованы в новой модели.

Рестайлинговая Газель Бизнес
Радикальные изменения электрической схемы
В частности, электропроводка Газель 3302 существенно видоизменилась благодаря появлению давно ожидаемых элементов:
- Дизельного двигателя;
- АБС в приводе тормозов;
- Кондиционера;
- Круиз-контроля.
Дизельная Газель
Заводская схема электропроводки Газель 3302
С появлением в линейке силовых агрегатов давно ожидаемых дизельных двигателей, в частности, мотора марки Cummins производства США, видоизменилась и схема электрооборудования.
Хотя дизельный двигатель и избавлен от системы зажигания, традиционной для работающих на бензине моторов, однако в его конструкции есть масса других электрических компонентов, среди которых основные это:
- Блок управления работой топливного насоса;
- Блок управления системы дожигания выхлопных газов.
Предостережение: использовать нестандартные прошивки для блока управления двигателем не рекомендуется, поскольку заводские настройки рассчитаны на уравновешивание разного крутящего момента мотора и коробки передач.
Соответственно, что проводка Газель Бизнес также подверглась изменениям (по сравнению со схемой электропроводки Газели с 402 двигателем), поскольку в дизельной версии устанавливается:
- более мощная аккумуляторная батарея,
- новый стартер с улучшенными характеристиками;
- генератор повышенной производительности;
Установка энергоемкого оборудования привела к возрастанию нагрузки в бортовой сети, что потребовало и переделки электрической схемы проводки Газели. Естественно, что автопроизводитель стал отгружать в сервисные точки и магазины автозапчастей комплекты электропроводки, соответствующие разным силовым агрегатам.
Кондиционеры Sanden
С появлением кондиционеров японской компании Sanden претерпела изменения и электропроводка на Газель 3302. Помимо дополнительных потребителей источника тока в салоне авто (блок управления), в подкапотном пространстве потребовалось электропитание и для электрического вентилятора, и для насоса.

Японский кондиционер Sanden для Газели
Тормозная система
На Газель Бизнес впервые появилась и АБС – система, не допускающая блокировки колес при торможении.
В приводе тормозов автопроизводитель стал устанавливать продукцию немецкой компании Bosch:
- главный тормозной цилиндр;
- вакуумный усилитель тормозов;
Справочно: Предпочтение было отдано 4-х канальной системе, имеющей отдельную регулировку тормозного момента каждого колеса.
С 2011 года АБС стала базовой комплектацией микроавтобусов, предназначенных для перевозки пассажиров.
Дополнительные компоненты
Схема проводки Газель бизнес также подверглась видоизменению и благодаря появлению:
- узлов и деталей фирм ZF и Sachs в приводе сцепления;
- гидроусилителя руля от ZF Lenksysteme;
- электрообогрева наружных зеркал;
- иной передней панели с новым блоком приборов;
- аудиосистемы от Blaupunkt;
- обновленного блока управления отопителем кабины.

Блок управления аудиосистемой Blaupunkt и кондиционером в Газель Бизнес
Кроме того, в виде опции к версии с силовым агрегатом от Cummins появился круиз-контроль семейства Газель-Бизнес, также потребовавший изменения электрической схемы автомобиля.
Выводы: подвергнув автомобили Газель Бизнес модернизации, автопроизводитель серьезно усовершенствовал и электропроводку, например по сравнению с моделью с 406 двигателем. Вот почему при ее замене или замене ее компонентов следует руководствоваться электрической схемой завода-изготовителя.
Как элементарно и быстро установить замок и другие элементы системы зажигания на Газели?
Принцип работы системы зажигания Газели
Для начала рассмотрим принцип работы СЗ Газель 402 двигатель. В данном случае речь идет о любых моделях этого авто — как с 406 мотором, так и о 5-местных Газелях. Принцип функционирования СЗ кроется в накоплении и дальнейшем преобразовании низковольтного напряжения в высоковольтное с помощью катушки после того. После преобразования катушка осуществляет передачу и распределение высоковольтного напряжения на свечи системы. Сами свечи используются для образования искры, которая, в свою очередь, необходима для возгорания топливовоздушной смеси в цилиндрах.
Основные этапы работы СЗ:
- накопление низковольтного заряда;
- преобразование его в высоковольтный;
- распределение импульса по соответствующим свечам в определенном порядке;
- создание искры на электродах свечей;
- возгорание горючей смеси.
Распиновка контактов замка зажигания Газели
Порядок зажигания
Схема подключения цилиндров на Газели, то есть сам порядок их активации, для двигателя 406 следующая:
- сначала смесь воспламеняется в первом цилиндре;
- затем икра подается на третий;
- после этого — на четвертый цилиндр;
- последним в работу вступает второй цилиндр.
Основные элементы СЗ
Вкратце об основных компонентах СЗ:
- модуль зажигания, включающий в себя несколько катушек;
- коммутаторное устройство;
- распределительный механизм;
- свечи;
- свечные наконечники;
- элементы соединения свечей с катушкой — высоковольтные кабеля.
Замена и ремонт замка
Если при попытке включения ключа в замке ничего не происходит, то есть двигатель не запускается, возможно, проблема кроется в плохом соединении контактов. Такой замок можно попытаться отремонтировать, если это не поможет, то устройство придется менять (автор видео — Сергей Вишняков).
Замена контактной группы
Такая задача выполняется следующим образом:
- Сначала нужно отключить аккумуляторную батарею, для этого сбросьте с нее отрицательную клемму. Далее производится демонтаж защитной накладки рулевой колонки. Используя отвертку с плоским наконечником, вам нужно будет выкрутить два болта, которые крепят этот кожух.
- Сделав это, можно демонтировать верхнюю часть накладки.
- Далее, рулевая колонка переводится в крайнее верхнее положение. Вам нужно будет немного отклонить верхнюю часть накладки на себя, пока креплений этой части кожуха не выйдет из прорези.
- Затем производится демонтаж накладки, ее необходимо сместить вверх.
- При помощи отвертки с плоским наконечником вам нужно будет выкрутить два болтика, который фиксируют контактную часть замка. Затем контактная составляющая извлекается и меняется на новую, дальнейшая сборка производится в обратной последовательности.
Меняем замок
Чтобы полностью поменять замок, сделайте следующее:
- Как и в предыдущем случае, сначала нужно демонтировать защитный кожух.
- Хомут демонтировать не удастся, поскольку штатные гайки не имеют граней, поэтому его нужно разрезать, к примеру, болгаркой. Будьте осторожны, чтобы не повредить трубу рулевой колонки.
- Далее, нужно будет отключить рулевую колонку — это делается для того, чтобы дальнейшая процедура замены была более удобной. Сначала выкручивается длинный винт, соединенный с регулятором высоты рулевого колеса. Сам руль после этого следует поднять вверх, это позволит открутить еще один болт, для этого используется гаечный ключ на 12. При извлечении винта необходимо будет запомнить положение фигурной скобы, она расположена рядом с его шляпкой.
- Следующим этапом будет демонтаж старого зажигания.
- Теперь возьмите новую скобу и проделайте прорези в ее боковинах, где будут расположены шляпки стягивающих винтов. Прорези обязательно нужны, поскольку они позволят без проблем затянуть четыре стягивающих винта. В том случае, если прорези будут отсутствовать, это приведет к тому, что головки на трещетке упрется в грани, так что надежно зафиксировать устройство не получится.
- Далее, устройство ставится в посадочное место, закручиваются четыре винта, их затянуть нужно по максимуму. Две гайки на 12, которые вы открутили ранее, полностью затягивать не нужно, поскольку это приведет к тому, что вы не сможете отрегулировать положение рулевого колеса. Соберите всю конструкцию и опробуйте работу установленного замка.
Загрузка …
Видео «Особенности подключения замка зажигания в Газели»
Что следует учесть при подключении контактов замка — смотрите на видео ниже (автор — канал Будни Газелиста).
avtozam.com
Особенности функционирования системы охлаждения Газель
Именно печка является одной из ключевых частей системы охлаждения не только газели, но и любого другого транспортного средства. Когда работает любой двигатель, это сопровождается выделением большого объёма тепла. Сгорает топливо и трутся друг от друга металлические поверхности. Если не отводить тепло, то произойдёт перегрев и очень быстрый выход из строя целых узлов мотора.
По этой причине в системе охлаждения предусмотрены сразу 2 контура, которые называют большим и малым кругом. Пока охлаждающая рабочая жидкость не нагрелась, она проходит по малому кругу, а в нагретом состоянии — по большому. В этом случае происходит включение термостата, который распределяет потоки. Именно так автомобильный мотор не перегревается, но и быстро набирает рабочую температуру. Полученное тепло используется для нагрева салона зимой, а летом просто выводится наружу в атмосферу.
Опытные водители хорошо знают, как устроена печка на Газели, а потому понимают и важность своевременного устранения неисправностей. Устройство её аналогично принципу всех других транспортных средств, работающих с жидкостным охлаждением
Для этого предусмотрен радиатор, а также большие и малые круги, по которым беспрерывно циркулирует антифриз. Разница состоит только в том, открыт либо закрыт в данную минуту термостат.
Общая схема электрооборудования Газель ЗМЗ Евро-3 инжектор
Общая схема электрооборудования Газель ЗМЗ Евро-3 инжектор

1 — левый боковой указатель поворота; 2 — левая блок-фара; 3 — правая блок-фара; 4 — правый боковой указатель поворотов; 5 — стартер; 6 — блок предохранителей в моторном отсеке; 7 — реле блок фар; 8 — центральный переключатель освещения; 9, 10 — плафоны освещения грузового салона (для автофургонов); 11 — плафон освещения передней части кабины; 12 — электродвигатель стеклоомывателя; 13 — плафон освещения задней части кабины (дляавтомобилей с двумя рядами сидений); 15 — плафон платформы (ГАЗ-3302, 33021, 33027); 16 — выключатель зуммера (ГАЗ-3302, 33021, 33027); 17 — зуммер сигнала водителю (ГАЗ-3302, 33021, 33027); 18 — звуковые сигналы; 19 — реле звуковых сигналов; 20 — выключатель зажигания; 21 — реле стартера; 22 — генератор; 23 — аккумуляторная батарея; 24 — выключатель аккумуляторной батареи; 25 — кнопка дистанционного отключения аккумуляторной батареи; 26 — электропривод крана отопителя; 27 — электронасос дополнительного отопител; 28 — резистор электровентилятора отопителя; 29 — электродвигатель вентилятора отопителя; 30 — панель управления отоплением и вентиляцией (1 — выключатель крана отопителя; 2- лампа подсветки панели управления отопителем); 31 — верхний блок предохранителей (в салоне); 32 — нижний блок предохранителей (в салоне); 33 — подкапотная лампа; 34 — выключатель аварийной световой сигнализации; 35 — радиоприёмник; 36 — резистор электродвигателя дополнительного отопителя; 37 — электродвигатель дополнительного отопителя; 38 — выключатель плафонов освещения салона (правая сторона); 39 — выключатель плафона освещения салона; 40 — плафон освещения подножки (для автобусов); 41 — плафоны освещения салона (правая сторона); 42 — плафоны освещения салона (левая сторона); 43 — прикуриватель; 44 — выключатель проверкиисправности сигнализаторов; 45 — датчик аварийного падения уровня тормозной жидкости; 46 — правый подрулевой переключатель (переключатель указателей поворотов и света фар); 47 — реле указателей поворотов; 48 — переключатель электрокорректора фар; 49 — выключатель сигнализатора стояночного тормоза; 50 — реле прерыватель сигнализатора стояночного тормоза; 51 — регуляторосвещения комбинации приборов; 52 — разъём (колодка проводов) для подсоединения системы АБС; 53 — комбинация приборов; 54 — выключатель сигнала торможения; 55 — выключатель плафона освещениявещевого ящика; 56 — плафон освещения вещевого ящика; 57 — топливный модуль; 58 — выключатель сигнализатора блокировки межосевогодифференциала (для автомобилей 4*4;); 59 — релеуправления стеклоочистителем; 60 — колодка системы управления двигателем; 61 — датчик указателя темературы охлаждающей жидкости; 62 — датчик сигнализатора перегреваохлаждающей жидкости; 63 — стеклоочиститель; 64 — датчик указателя давления масла; 65 — датчик сигнализатора аварийного давления масла; 66 — правый подрулевой переключатель (выключатель звукового сигнала и стеклоочистителя); 67 — датчик скорости; 68 — выключатель ламп света заднего хода; 69 — задний фонарь (правый); 70 — фонари освещения номерного знака;
Ремонт двигателя УМЗ 4216
Во время эксплуатации «Газели» с двигателем УМЗ 4216 возникают различные поломки, одна из самых распространенных проблем – перегрев мотора. Если система охлаждения «воздушит», из расширительного бачка начинает выкидывать тосол (антифриз). В результате перегрева нередко пробивает прокладку головки блока – менять ПГБЦ в целом несложно, и часто водители самостоятельно производят подобный ремонт.
Но проблема в случае перегрева состоит в другом – нередко от высокой температуры на поршнях лопаются перегородки, «залегают» поршневые кольца. Чтобы произвести замену поршней или колец, движок снимать не обязательно, достаточно только скинуть головку блока и масляный поддон.
Капремонт УМЗ 4216 необходим в случаях, когда:
- изношены или повреждены гильзы блока цилиндров;
- стучит (изнашивается) коленчатый вал;
- низкое давление масла в системе, а замена масляного насоса не дает положительных результатов.
Часто ульяновский движок подвергается перегреву, и водители принимают различные меры, чтобы избавиться от этого неприятного и опасного для ДВС явления. Многие хозяева «Газелей» устанавливают вместо штатного алюминиевого медный трехрядный радиатор охлаждения – медь эффективнее остужает антифриз. Еще один метод борьбы с перегревом – установка электровентилятора охлаждения с тумблером, который находится в кабине у водителя. В момент, когда на панели приборов стрелка датчика начинает показывать критическую температуру охлаждающей жидкости, водитель принудительно включает вентилятор, и температурный режим приходит в норму.
Важность схем
Понять какую принципиальную важность имеет электросхема Газель 405 можно просто исходя из того насколько часто приходится чинить этот автомобиль. Ведь, как правило, покупается он не для личных нужд, а как коммерческая машина
Это означает, что ездит он каждый день. Еще нужно делать поправку на то в каких условиях ездят Газели, и как их обычно эксплуатируют:
- Подверженность природным условиям (нарушение изоляции проводов, короткие замыкания).
- Низкое качество сборки (дешевые и плохие провода, которые не служат долго).
- Плохое топливо, которое пагубно влияет на электрические составляющее зажигания и впрыска.
И только воспользовавшись схемой электрооборудования можно разобраться в том, где находится какой прибор и какие провода к нему подходят.
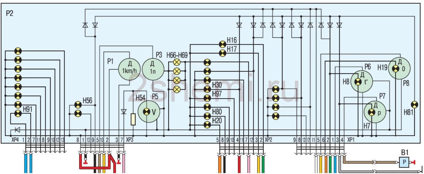
Схема и контакты комбинации приборов Газель

Разъём ХР1
1 Датчик температуры охлождающей жидкости
2 Выбор аварийной температуры охлождающей жидклсти
3 Аварийное низкое давления масла двигателя
4 Датчик давления масла
5 Датчик уровня топлива
6 ———-
7 ———-
8 Открытые двери автобуса
9 ———-
10 Открытые двери салона,капота или багажника
11 ———
12 ———
13 Неисправность электронного регулятора тормозных сил (EBD)
Разъём ХР2
1 Аккумулятор
2 Включения ламп сигнализатора поворота правого борта
3 Включения ламп сигнализатора поворота левого борта
4 Включения стояночного тормоза
5 Влючения дальнего света
6 Включения передних противотуманных фар
7 Подсветка КП
8 Включения габаритных огней
9 Включения задних противотуманных фар
10 ———
11 Включения блокировки межосевого диффиренциала
12 Включения пониженной передачи
13 Тип датчика давления масла
Разъём ХР3
1 Корпус для аналоговых сигналов
2 Зажигание
3 Корпус
4 Высоковольтный вход тахометра
5 Низковольтный вход тахометра
6 Включения ближнего света фар
7 Разряд аккумуляторной батареи
8 Зажигания
9 Низкий уровень тормозной жидкости
10 Датчик скорости
11 Выход спидометра к бортовому компютеру
12 Включения обогрева звднего стекла
13 Неисправность антиблокировочной системы тормозов(ABS)
Разъём ХР4
1 Сигнализатор диагностики(-)
2 Сигнализатор диагностики(+) и включения предпускового подогреваа двигателя(+)
3 Износ тормозных накладок
4 Включения предпускового подогрева двигателя(-)
5 ————-
6 ————-
7 ————-
8 ————-
9 —————
10 ————-
11 Низкий уровень стеклоомывающей жидкости
12 Низкий уровень охлождающей жидкости
13 Низкий уровень масла в двигателе



Разводка контактов комбинаций приборов семейства 38.3801 в различных вариантах исполнений приведена в таблице:
| Назначение вывода | 38.3801 | 382.3801 | 385.3801010 |
| Контрольная лампа воздушной заслонки карбюратора | X1.1 | X1.1 | X1.1 |
| Указатель температуры охлаждающей жидкости | X1.2 | X1.2 | X1.2 |
| Контрольная лампа перегрева охлаждающей жидкости (-) | X1.3 | X1.3 | X1.3 |
| Контрольная лампа низкого давления масла | X1.4 | X1.4 | X1.4 |
| Указатель давления масла | X1.5 | X1.5 | X1.5 |
| Указатель уровня топлива | X1.6 | X1.6 | X1.6 |
| Контрольная лампа резерва топлива (-) | X1.7 | X1.7 | ― |
| Контрольная лампа непристегнутых ремней безопасности | X1.8 |
X1.8* |
― |
| Тест (-) | X1.9 |
X1.9 |
― |
| Контрольная лампа незакрытых дверей (-) | X1.12 |
― |
X1.10* |
| Контрольная лампа перегрева масла | X1.11 | X1.11* |
― |
| Цепь 30 (постоянное питание) |
― |
― | X2.2 |
| Объединенный выход контрольной лампы STOP | X2.2 | ― |
― |
| Контрольная лампа правого указатель поворота | X2.3 | X2.3 | X2.3 |
| Контрольная лампа левого указатель поворота | X2.4 | X2.4 | X2.4 |
| Контрольная лампа стояночного тормоза | X2.5 | X2.5 | X2.5 |
| Контрольная лампа включения дальнего света фар (+) | X2.6 | X2.6 | X2.6 |
| Контрольная лампа включения противотуманных фар (+) |
― |
― |
X2.7* |
| Контрольная лампа указателей поворота прицепа (+) |
X2.12 |
X2.7* |
― |
| Индикация пониженной передачи (-) |
― |
― |
X2.8* |
| Индикация блокировки межосевого дифференциала (-) | X2.9 | X2.9* | X2.9* |
| Контрольная лампа обогрева сидений (+) | X2.10 |
X2.10 |
― |
| Контрольная лампа включения задних противотуманных фонарей (+) |
― |
X2.11* |
X2.11* |
| Контрольная лампа включения габаритного освещения (+) | X2.7 | X2.12 | X2.12 |
| Цепь освещения приборов | X2.13 | X2.13 | X2.13 |
| Контрольная лампа перегрева каталитического нейтрализатора | X2.8 | ― | ― |
| Контрольная лампа подушек безопасности (+) | X2.11 | ― | ― |
| Контрольная лампа STOP | X3.6 | ― | ― |
| Контрольная лампа ABS (-) | X3.1 | X3.1 |
X3.1, инверс |
| Масса (-) | X3.2 | X3.2 | X3.2 |
| Питание (+) спидометра | X3.3 | X3.3 | X3.3 |
| Масса (-) спидометра | X3.4 | X3.4 | X3.4 |
| Тахометр (высоковольтный вход) | ― | X3.5 | X3.5* |
| Тахометр (низковольтный вход) (-) | ― | X3.6 | X3.6 |
| Тахометр (вход от генератора) | X3.7 | ― | ― |
| Контрольная лампа ближнего всета фар (+) |
― |
― |
X3.7* |
| Контрольная лампа обогрева заднего стекла (+) | X3.8 | X2.1* | X3.8 |
| Выход спидометра к борткомпьютеру | X3.9 | X3.9 | X3.9 |
| Вход спидометра | X3.10 | X3.10 | X3.10 |
| Контрольная лампа уровня тормозной жидкости (-) | X3.11 | X3.11 | X3.11 |
| Питание (+) контрольных ламп и приборов | X3.12 | X3.12 | X3.12 |
| Контрольная лампа разряда аккумулятора | X3.13 | X3.13 | X3.13 |
| Контрольная лампа уровня масла | X4.1 | X4.1* | X4.1* |
| Контрольная лампа CHECK ENGINE (+) | X4.2 | X4.2 | X4.2 |
| Общий вывод контрольных ламп CHECK ENGINE и подогрева свечей накаливания (-) | X4.3 | X4.3 | X4.3 |
| Контрольная лампа износа тормозных колодок (-) | ― | ― | X4.4* |
| Контрольная лампа свечей накаливания (+) | ― | ― | X4.5 |
| Контрольная лампа уровня охлаждающей жидкости (-) | X4.8 | X4.8* | X4.8* |
| Контрольная лампа уровня омывающей жидкости (-) | X4.9 | X4.9* | X4.9* |
| Контрольная лампа уровня жидкости гидроусилителя руля (-) | X4.10 | X4.10* | X4.10* |
| Контрольная лампа наличия воды в топливном фильтре (+) | ― | ― | X4.11* |
| Контрольная лампа перегоревших ламп (-) | X4.11 | X4.11* |
― |
На газели печка перестала дуть горячим воздухом, загорается код ошибки E3,Е6,E7
Приехал к нам с далёкого северного Урала, города Новый Уренгой хозяин длинномерной газели бизнес с жалобой на неисправную печку, говорит совсем печка не греет, а купил он эту рабочую лошадку с рук на днях и не проверил работоспособность печки, вот и нужно разобраться в неисправности. На диасплее загораются ошибки E3 и Е7 (E3 и E7).

И так, проверку начинаем с визуального осмотра блока управления отопителем (БУО) 2705-8121020. На дисплее загорается неисправность E3. Забегая вперёд, скажем, что данная неисправность связана с мотор редуктором заслонки отопителя (90.3780) или МР-2-01, который находится рядом с правой ногой водителя под панелью. Заглянув под панель, решив проверить оба ли разъёма защёлкнуты, мы этот мотор редуктор не обнаружили, а лишь болтались разъёмы. Видимо предыдущий хозяин снял мотор редуктор, а вот новый не поставил. Устанавливаем новый мотор редуктор.
Видео. Проверка мотор редуктора заслонки отопителя (90.3780) или МР-2-01.
С данным мотор редуктором (90.3780) связаны 2 ошибки: Е3 — неисправность датчика положения заслонки (реостат), который определяет текущее положение заслонки. Е6 — неисправность самого моторчика мотор редуктора, который управляет заслонкой.
|
|
|
Проверяем работоспособность отопителя, включаем зажигание. Ошибка Е3 пропала, но загорелась ошибка Е7. Печка так и дует холодным воздухом, хотя мотор-редуктор 90.3780 работает исправно. Далее проверяем кран отопителя, ведь он отвечает за подачу горячей охлаждающей жидкости в радиатор отопителя, а так же из-за него загорается ошибка E7. Устанавливаем регулятор температуры на блоке управления в максимально горячее положение рукой проверяем шланги, идущие в радиатор отопителя.

У нас оба патрубка, идущие на радиатор печки оказались холодные, хотя помпа работает и подводящий шланг к крану горячий, значит почему-то кран не открывается. Самый простой способ проверить работу крана, это на заглушенном автомобиле покрутить регулятор температуры в максимум и минимум. Кран печки должен издавать характерные щелчки, свидетельствующие о его работе. Но мы никаких звуков не услышали, значит проводим более детальную проверку. Начинаем с проверки разъёма крана печки.
Для начала проверим питание +12 вольт (оранжевый провод крана, белый провод разъёма проводки), массу (чёрный провод крана и чёрный провод проводки разъёма) и управляющие сигналы, поступающие на кран отопителя: коричневый крана (коричневый разъёма проводки) — тепло, белый крана (зелёный проводки разъёма) — холод.

Для наглядности и проверки работоспособности блока управления соберём простой пробник на светодиодах. Он нам наглядно покажет подаются ли сигналы управления холод / тепло с блока управления.

Если один из управляющих сигналов отсутствует, то следует прозвонить проводку от крана отопителя до блокауправления — это зелёный и коричневый провода. В нашем случае отсутствовал управляющий сигнал на коричневом проводе, который как раз отвечает за подачу тепла.
При включении зажигания и подключеном кране отопителя, на зелёном и коричневом проводе должно висеть напряжение около +10. +12 вольт, приходящие с крана отопителя. В момент регулировки тепло / холод на одном из этих проводов должен появлятся управляющий минус. Если управляющий сигнал отсутствует, значит сгорел управляющий транзистор в самом блоке управления. Для проверки управляющих транзисторов нужно разобрать блок климатической системы и проверить управляющие ключи.
Синий транзистор отвечает за переключение в холодное положение, красный транзистор отвечает за управления горячим положением

В данной схемотехнике для управления краном применяются n-p-n SMD транзисторы в корпусе sot23. Для замены не рабочего ключа можно использовать любой N-P-N транзистор , расчитанный на ток коллектора не менее 100mA и напряжение не менее 20 вольт, например распространённый транзистор BC547. Или С945, который как раз у нас нашёлся. Приведём краткую схему силового транзистора.

В нашем случае был неисправен красный управляющий ключ, который как раз отвечает за подачу тепла.

Можно за место SMD транзистора установить и в другом корпусе, например в TO92 , но придётся подпаивать и выгибать ножки.

После замены неисправного транзистора, кран отопителя начал работать как нужно, ошибка Е7 исчезла, и салон нашей газельки начал теплеть
Как определить неисправность?
При появлении неисправностей в работе оборудования в первую очередь нужно проверить целостность предохранительных устройств. Если в схеме проводки происходит замыкание или скачок напряжения, предохранительные элементы первые выходят из строя, защищая основные устройства и электрооборудование, подключенное к определенной цепи. Так как визуальная проверка далеко не всегда эффективна, поиск неполадки следует осуществлять при помощи тестера — мультиметра.
Процедура диагностики заключается в извлечении предохранителей из посадочных мест и дальнейшей проверке гнезд. Если вы выявили вышедший из строя предохранитель, то это не значит, что проверку можно завершать, поскольку замыкание может произойти одновременной в нескольких цепях (автор видео — Denis Legostaev).
Если в проводке авто с карбюраторным или инжекторным двигателем произошло короткое замыкание, то нужно заняться диагностикой состояния цепей. Разумеется, если все предохранители оказались целыми. Перед диагностикой следует отключить массу, непосредственно для проверки понадобится тестер или контрольная лампочка. При использовании лампы один из ее контактов следует подключить к цоколю, а другой — к центральному контакту.
Сама проверка происходит так:
- сначала ключ в замке зажигания следует выставить в положение I;
- затем к контактам в гнездах предохранителей нужно по очередь подключить щупы тестера или лампы;
- в том случае, если лампа не горит, это свидетельствует о том, что на проверяемом участке цепи нет замыканий, если же она загорается, то замыкание было обнаружено.

Еще один немаловажный момент — это диагностика целостности электроцепей. В данном случае принцип поиска довольно простой — для диагностики вам потребуется тот же тестер (подойдет вольтметр или омметр) либо лампа с проводами. Вам необходимо будет подсоединить один из контактов пробника к кузову транспортного средства, а вторым контактом произвести замер питания в соединительных местах между собой и оборудованием.
Лучше всего начинать с середины электроцепи и сначала проверять легкодоступные места. Кроме того, для диагностики обрыва следует понимать, что чаще всего повреждение цепи происходит в местах сгиба проводки. Причем как показывает практика, в жгутах провода очень редко повреждаются.
Еще одна поломка в электроцепи — это плохой контакт в местах соединений, поиск такой неисправности лучше всего осуществлять с использованием тестера — вольтметра.
Есть два метода диагностики:
- Один щуп тестера следует подключить к кузову автомобиля, а второй к выводу соединения, измерение напряжения осуществляется в двух сторон. Учтите, что при этом падение напряжения должно составить не больше 0.5 вольт.
- Следующий метод — подключите один проводок с контактом на одном конце штекера, а второй — к контакту на другой стороне данного штекера. В том случае, если тестер покажет более 0.5 вольт, это говорит о том, что контакты на штекере следует прочистить (автор видео — канал МЗС TV).































