Почему не работают дворники на ВАЗ-2105, и как найти неисправность
На ВАЗ 2105 не работают дворники? Починить их можно самостоятельно, так как это достаточно простая конструкция. Итак, по какой причине дворники на ВАЗ 2105 перестали работать? В каждом автомобиле предусмотрен монтажный блок. Он располагается, как правило, под рамой лобового стекла слева
В этом блоке, в первую очередь, стоит обратить внимание на второй предохранитель. Поменяйте предохранитель, если потребуется
В том случае, если проблема кроется не в предохранителе:
- Убедимся в исправности поступления питания на электродвигатель дворников.
- Нужно отключить разъем от электродвигателя и проверить клеммы. Возможно, они окислены. Их следует зачистить, если в этом есть необходимость.
- Далее, предстоит замерить напряжение на разъеме, предварительно включив дворники.
Если напряжение присутствует, но дворники все равно не работают:
Клемму «плюс» на аккумуляторе важно отключить.
Проверяем все провода, ведущие к электромотору дворников. Если видите какие-либо заломы или обрывы — замените их.
В отсутствие видимых повреждений, следует произвести замену двигателя стеклоочистителей.
Чтобы произвести демонтаж электродвигателя, необходимо:
- Убрать разъем, открутить гайку, которая крепит трапецию механизма дворников к редуктору электропривода.
- Разъем вынимаем, отворачиваем гайку, которая крепит дворники к электромотору.
- Тянем на себя, и разъединяем скрепление именуемое шлицевым.
- Для замены привода, отворачиваем крепящие болты и достаем его из-под рамки.
Чтобы поставить новый электрический двигатель дворников, необходимо повторить все действия в противоположном порядке.
В том случае, если на разъеме отсутствует питание:
- Подвергаем проверке рычаг переключения стеклоочистителей. Снимаем с колонки руля кожух, отвернув болты.
- Находим отверстия под переключатель.
- В тот момент, когда переключатель находится в положении “включено”, проверяем напряжение входа и выхода на клеммах. Переключатель стоит поменять, если напряжение отсутствует.
Как снять переключатель и установить новый, если дворники на ВАЗ 2105 не работают:
- От аккумулятора отключаем клемму «плюс»;
- Тянем на себя накладку и убираем клаксон;
- У руля отворачиваем гайку;
- Снимаем руль, выбивая его из шлицов;
- От колонки руля, отсоединив фиксаторы, снимаем переключатель.
- Затем, в противоположном порядке устанавливаем новый.
Как быть, если дворники не шевелятся при работающем электродвигателе?
Следует проверить, насколько надежно соединена трапеция привода и редуктор электропривода. Если есть надобность, затягиваем крепящую гайку. Внимательно осмотрите привод и поводки стеклоочистителей на наличие повреждений. Поводки необходимо поменять, если они изношены. Придется заменить трапецию привода, если она полностью изношена.
Как поменять трапецию привода дворников:
- Отвернув гайку крепления на редукторе, от него отсоединяем трапецию.
- Теперь снимаем поводки, отворачивая крепящие гайки, и потянув их на себя.
- У трапеции следует открутить гайку, которая крепит ее к кузову. Находится она под поводками.
- Снимаем элементы декора (накладки) и проталкиваем привод внутрь.
- Вынимаем трапецию, которая располагается под лобовым стеклом.
Чтобы установить свежую трапецию, нужно действовать наоборот. Если дворники на ВАЗ-2105 перестают двигаться в прерывистом режиме, следует заменить реле дворников, найти его можно под приборной панелью. Как известно, существует прерывистый режим работы дворников. Если в этом режиме они не функционируют, то:
- Нужно отключить плюсовую клемму аккумулятора.
- Слева в салоне автомобиля нужно снять декоративную панель, которая находится у ручки открывающей капот.
- Чтобы поставить новое реле, следует открутить два крепежных винта под панелью и отсоединить разъем.
- Устанавливаем новое реле.
- Собираем все обратно.
В этой статье даны лишь те инструкции, которыми вы можете пользоваться в гараже для починки или замены неработающих дворников на ВАЗ 2105. Сложные темы, требующие более детального изучения автомеханики и электрики были исключены. В связи с наличием сложных технических проблем можно заменить систему стеклоочистителей полностью.
Похожие материалы:
КАК ПРАВИЛЬНО ВЫБРАТЬ АВТОМОБИЛЬНЫЙ АККУМУЛЯТОР
Как собственноручно отремонтировать бампер ваз 2114
Преимущества фронтальных погрузчиков
Что делают со старыми аккумуляторами
Как заменить реле дворников?
Чтоб поменять данное реле, необходимо отодвинуть либо на сто процентов снять приборную панель. Для этого необходимо снять пластмассовые накладки с рычагов управления отопителем салона.
Потом необходимо снять пластиковую заглушку, расположенную с правой стороны от данных рычагов.
Сейчас нужно плотно взяться руками за правую сторону приборки и аккуратненько потянуть её на себя.
Чтоб Получить малость больше места, можно расклинить приборку, воткнул в место меж ней и панелью какой-либо предмет. Если же для вас не хватает сноровка поменять реле с отодвинутыми приборными щитком, то придется его снять стопроцентно. Для этого необходимо Открутить трос спидометра, снять со штуцера трубку эконометр, также отключить фишки с проводами.
Внимание! Перед демонтажем колодок с проводами, необходимо уяснить как они были подключены, а еще лучше сфотографировать, чтоб не спутать их при подключении. Сейчас откручиваем гайки крепления реле дворников к кузову автомобиля, отсоединяя фишку и вытаскиваем его
Данное реле может крепиться как одним болтом, так и 2-мя
Сейчас откручиваем гайки крепления реле дворников к кузову автомобиля, отсоединяя фишку и вытаскиваем его. Данное реле может крепиться как одним болтом, так и 2-мя.
Сейчас подключайте фишку к новенькому реле и собираем панель в оборотном порядке.
Блок предохранителей ваз 2107: инжектор
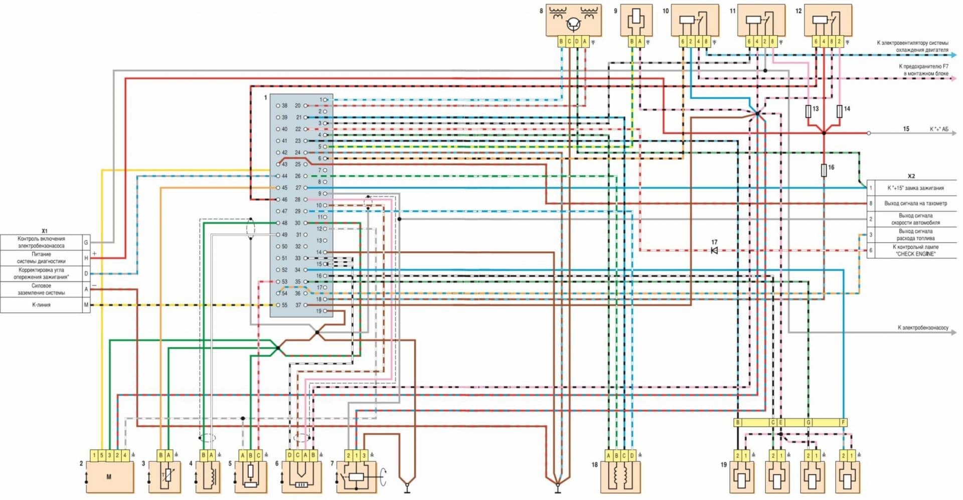
В современных моделях ВАЗ 2107 с инжекторными двигателями есть еще дополнительный блок с предохранителями и реле, который устанавливается под бардачком в салоне автомобиля. Его главное назначение в контроле включения электробензонасоса, электровентилятора, также есть главного реле.
На рисунке ниже представлен дополнительный блок с реле и предохранителями для автомобилей ВАЗ 2107 с инжекторными двигателями.
Дополнительный блок реле ваз 2107
Схема дополнительного блока реле и предохранителей ВАЗ 2107
Расшифровка схемы дополнительного блока реле и предохранителей ВАЗ 2107
- предохранитель, защищающий силовые цепи главного реле;
- главное реле;
- предохранитель, защищающий цепь постоянного питания контроллера;
- предохранитель, защищающий цепь реле электробензонасоса;
- реле бензонасоса;
- реле электровентилятора;
- диагностический разъем.
Ещё есть ряд реле, которые необходимы для обеспечения работы оборудования:
- Реле привода щёток, располагается под приборной панелью.
- Стартера реле, место расположения справа от брызговика.
- Реле поворота, зажигания, сигнализации место расположения под приборной панелью.
- Предохранитель противотуманок, устанавливается рядом с местом радиоприёмника под заглушками.
- Предохранитель для очистителя фар размещается в электропроводке непосредственно у привода очистителя.
Для удобства обслуживания и выявления отказа работы цепей в электрооборудовании машины при неисправностях не связанных с работой предохранителей и реле применяется электрическая расширенная схема работы предохранителей и реле в автомобиле ВАЗ 2107 представленная на рисунку ниже (для увеличения кликните на картинку)
Схема блока предохранителей ВАЗ 2107 Расшифровка схемы блока предохранителей
2 Электрическая часть – проведение диагностики
Неисправность дворников чаще кроется в электрической части. Перед ремонтом следует продиагностировать электрооборудование и обнаружить неисправность. Схема показывает электрическую часть стеклоочистителя ВАЗ 2107.

Если дворники не работают ни в одном режиме, проводим проверку предохранителя – второй слева 10 А. Он общий с омывателем стекла, если вода не разбрызгивается на стекло – перегорел или окислился. Проводим зачистку контактов или замену предохранителя. Не забываем включить зажигание и поставить выключатель в режим «включено». Проверяем разъем питания электродвигателя. Проверить целостность цепи поможет вольтметр.
Если на разъеме нет питания, в исправности проводки и предохранителя убедились, проверьте реле с переключателем. Проверяем напряжение на входе в реле. Если питание есть, виновато реле, требуется замена. Не обязательно иметь вольтметр, можно воспользоваться контрольной лампочкой или посмотреть на амперметр: стрелка отклоняется, значит, питание есть. При его отсутствии причина кроется в переключателе. Снимаем пластмассовый кожух, открывается доступ к переключателю. Включаем его, измеряем напряжение на клеммах. Если оно отсутствует, требуется замена выключателя. Производится она так:
- отсоединяем «плюс» аккумулятора;
- снимаем с руля накладку сигнала;
- отворачиваем гайку и снимаем руль;
- отворачиваем фиксаторы и снимаем переключатель;
- устанавливаем новый.
Проверяем напряжение на входе в реле. Если питание есть, виновато реле. При его отсутствии неисправность кроется в переключателе.
ДВОРНИКИ ВАЗ 2107
Эксплуатация автомобиля происходит в разных климатических и дорожных условиях. Для безопасного и комфортного передвижения водитель должен иметь хорошую видимость дорожной обстановки, т. е. лобовое стекло всегда должно находиться в чистоте. Стеклоочистители (дворники) лобового стекла обеспечивают его механическую очистку от загрязнений и осадков, улучшая видимость и повышая уровень безопасности. Возможные неполадки этого механизма и способы их устранения рассмотрим более детально.
ПРИНЦИП РАБОТЫ
Работа дворников довольно проста и состоит из следующей последовательности действий:
- Водитель выбирает необходимый режим работы стеклоочистителей подрулевым переключателем.
- Посредством моторчика весь механизм очистки ветрового стекла приводится в действие.
- Дворники движутся по стеклу влево и вправо с выбранной скоростью, очищая поверхность.
- Когда в работе механизма больше нет необходимости, подрулевой переключатель возвращается в исходное положение.

Схема включения дворников и омывателя ветрового стекла ВАЗ 2107: 1 — термобиметаллический предохранитель; 2 — моторедуктор очистителя ветрового стекла; 3 — электродвигатель омывателя ветрового стекла; 4 — монтажный блок; 5 — выключатель омывателя в трёхрычажном переключателе; 6 — переключатель очистителя в трёхрычажном переключателе; 7 — реле очистителя ветрового стекла; 8 — выключатель зажигания;
СОСТАВЛЯЮЩИЕ
Стеклоочиститель ветрового стекла состоит из таких основных элементов:
- механизм рычагов (трапеция);
- электромотор;
- реле;
- щётки.
ТРАПЕЦИЯ
Одним из немаловажных элементов в механизме стеклоочистителя является трапеция. Практически на всех автомобилях эта деталь одинакова, а разница заключается лишь в способах крепления, размерах и форме элементов. Функционирование трапеции состоит в передаче вращательного движения от электродвигателя к дворникам, а также в обеспечении синхронного движения последних для качественной очистки стекла. Трапеция состоит из тяг, корпуса и шарнира.

Конструкция трапеции: 1 — кривошип; 2 — короткая тяга; 3 — шарнир тяг; 4 — валики механизма стеклоочистителя; 5 — длинная тяга
МОТОРЧИК
Электродвигатель стеклоочистителей ВАЗовской «семёрке» выполнен единым узлом с редуктором и является одним из основных звеньев рассматриваемого механизма. Моторчик состоит из статора с постоянными магнитами и якоря с удлинённым валом, на конце которого нарезан винт. Назначение этого узла — обеспечивать движение щёток по ветровому стеклу. Устройство считается надёжным и выходит из строя очень редко.
РЕЛЕ ДВОРНИКОВ
На классических «Жигулях» очиститель лобового стекла имеет два режима работы — быстрый и прерывистый с интервалом 4–6 секунд. Именно для обеспечения прерывистой работы предназначено реле-прерыватель РС 514. Включение дворников с задержкой используется во время мелкого дождя, когда слишком частая работа стеклоочистителей не требуется, а при полностью выключенном механизме стекло постепенно покрывается мелкими каплями осадков и нуждается в очистке. В общую проводку изделие подключается посредством четырёхконтактного разъёма. На ВАЗ 2107 реле-прерыватель расположено с водительской стороны на левой боковине под пластиковой обшивкой.

Реле дворников обеспечивает прерывистый режим работы механизма
ЩЁТКИ
Практически на всех легковых автомобилях используется две щётки стеклоочистителей ветрового стекла. На «семёрке» с завода устанавливаются элементы длиной 33 см. Поставить можно и более длинные щётки, но на электромотор будет возлагаться большая нагрузка, что приведёт не только к более медленной работе механизма, но и к возможному выходу моторчика из строя.

На ВАЗ 2107 с завода устанавливаются щётки длиной 33 см
Нумерация, номиналы и назначение предохранителей
Каждый из предохранителей в ВАЗ 2107 может обслуживать одну или несколько электрических цепей автомобиля. В случае выхода предохранителя из строя на конкретное устройство или систему автомобиля (либо несколько) не поступает питающее напряжение. В результате этого конкретное устройство теряет неработоспособность.
Не всегда выход из строя предохранителя является причиной неисправности. Во многих случаях перегорание предохранителя является следствием неисправности узла или системы. К таким случаям относятся:
- короткое замыкание электропроводки автомобиля;
- подгорание контактов и разъемов;
- износ бензонасоса, электродвигателей приводов систем автомобиля (стеклоочистителя, вентилятора);
- неисправность электронного блока управления двигателем.
В случае отказа какой либо из систем автомобиля согласно приведенной ниже таблице и схеме расположения предохранителей определяют номер предохранителя, его расположение в блоке. Если данный предохранитель отвечает за несколько систем, следует проверить работоспособность другой системы. Если она работает корректно, скорее всего, предохранитель исправен, и проблема не в нем. После этого с помощью мультиметра или другого измерительного оборудования производят проверку работоспособности предохранителя методом измерения его сопротивления (прозвонки).
Прозвонку предохранителя следует делать только на демонтированном (вынутом) предохранителе. Сопротивление исправного предохранителя близко к нулю. В большинстве типов предохранителей нить его рабочей области видима на просвет либо находится вне корпусной части. Можно проверить предохранитель визуальным методом, однако нередки случаи ошибочного контроля, когда рабочая область имеет микротрещину.
Блок предохранителей ВАЗ 2107
Отсутствующие реле не используются или перенесены, например реле включения вентилятора охлаждения двигателя стоит на планке с дополнительными реле в салоне.
Таблица 1. Назначение предохранителей ваз 2107 (подкапотный блок):
Предохранители ваз 2107, какой за что отвечает
Замена предохранителя «противотуманок»
Исправную работу противотуманных фар обеспечивает предохранитель, который расположен отдельно от блока предохранителей. Его месторасположения в автомобиле ВАЗ 2107 под консольной центральной панелью, рядом с кнопкой включения противотуманных фар на панели рядом с магнитолой.
Для проведения работ по проверке или замене предохранителя цепей противотуманных фар следует выполнить следующую последовательность операций:
- Выключить питание автомобиля;
- Требуется с помощью отвертки отсоединить выключатели из консоли в том месте, где установлена магнитола, обеспечив свободный доступ;
- Вытащить пластиковую вставку на консоли отжав её отвёрткой, откроется доступ к корпусу предохранителя противотуманных фар.
- Достать корпус и провести проверку или замену предохранителя.
- Собрать все элементы и выключатели в обратной последовательности, убедится в работоспособности противотуманных фар.
Схема блока предохранителей ВАЗ 2107 (полная электрическая схема)
| № реле/ предохранителя | Обозначения |
| 1 | Блок-фары |
| 2 | Боковые указатели поворота |
| 3 | Аккумуляторная батарея |
| 4 | Реле включения стартера |
| 5 | Электропневмоклапан карбюратора |
| 6 | Микровыключатель карбюратора |
| 7 | Генератор 37.3701 |
| 8 | Моторедукторы очистителей фар* |
| 9 | Датчик включения электродвигателя вентилятора |
| 10 | Электродвигатель вентилятора системы охлаждения двигателя |
| 11 | Звуковые сигналы |
| 12 | Распределитель зажигания |
| 13 | Свечи зажигания |
| 14 | Стартер |
| 15 | Датчик указателя температуры охлаждающей жидкости |
| 16 | Подкапотная лампа |
| 17 | Датчик сигнализатора недостаточного давления масла |
| 18 | Датчик сигнализатора недостаточного уровня тормозной жидкости |
| 19 | Моторедуктор очистителя ветрового стекла |
| 20 | Блок управления электропневмоклапаном карбюратора |
| 21 | Катушка зажигания |
| 22 | Электродвигатель насоса омывателя фар* |
| 23 | Электродвигатель насоса омывателя ветрового стекла |
| 24 | Монтажный блок |
| 25 | Реле очистителя ветрового стекла |
| 26 | Реле аварийной сигнализации и указателей поворота |
| 27 | Выключатель сигнала торможения |
| 28 | Выключатель света заднего хода |
| 29 | Реле зажигания |
| 30 | Выключатель зажигания |
| 31 | Трехрычажный переключатель |
| 32 | Выключатель аварийной сигнализации |
| 33 | Штепсельная розетка для переносной лампы** |
| 34 | Переключатель вентилятора отопителя |
| 35 | Дополнительный резистор электродвигателя отопителя |
| 36 | Лампа сигнализатора включения обогрева заднего стекла |
| 37 | Лампа сигнализатора недостаточного уровня тормозной жидкости |
| 38 | Блок сигнализаторов |
| 39 | Электродвигатель вентилятора отопителя |
| 40 | Лампа освещения вещевого ящика |
| 41 | Выключатели плафонов на стойках передних дверей |
| 42 | Выключатели фонарей сигнализации открытых передних дверей*** |
| 43 | Фонари сигнализации открытых передних дверей*** |
| 44 | Соединительная колодка |
| 45 | Прикуриватель |
| 46 | Часы |
| 47 | Выключатель освещения приборов |
| 48 | Диод для проверки исправности лампы сигнализатора недостаточного уровня тормозной жидкости |
| 49 | Указатель уровня топлива |
| 50 | Лампа сигнализатора резерва топлива |
| 51 | Спидометр |
| 52 | Лампа сигнализатора включения указателей поворота |
| 53 | Лампа сигнализатора прикрытия воздушной заслонки карбюратора |
| 54 | Лампа сигнализатора заряда аккумуляторной батареи |
| 55 | Выключатель сигнализатора прикрытия воздушной заслонки карбюратора |
| 56 | Комбинация приборов |
| 57 | Эконометр |
| 58 | Выключатели плафона на стойках задних дверей |
| 59 | Указатель температуры охлаждающей жидкости |
| 60 | Тахометр |
| 61 | Лампа сигнализатора включения стояночного тормоза |
| 62 | Лампа сигнализатора недостаточного давления масла |
| 63 | Лампа сигнализатора включения дальнего света фар |
| 64 | Лампа сигнализатора включения наружного освещения |
| 65 | Вольтметр |
| 66 | Выключатель сигнализатора включения стояночного тормоза |
| 67 | Выключатель наружного освещения |
| 68 | Выключатель обогрева заднего стекла с лампой подсветки |
| 69 | Выключатель заднего противотуманного света с сигнализатором включения* ** *** |
| 70 | Предохранитель цепи противотуманного света |
| 71 | Плафон**** |
| 72 | Задние фонари |
| 73 | Датчик указателя уровня и резерва топлива |
| 74 | Колодки для подключения к элементу обогрева заднего стекла* |
| 75 | Фонари освещения номерного знака |
Порядок условной нумерации штекеров в колодках:
а — блок-фар, очистителей фар и ветрового стекла, реле очистителя ветрового стекла, блока управления электропневмоклапаном карбюратора;
б — монтажного блока и трехрычажного переключателя;
в — реле аварийной сигнализации и указателей поворота;
г — задних фонарей (нумерация выводов по порядку от края платы);
д — выключателя аварийной сигнализации.
ВАЗ 2107 — схема инжектора (система управления впрыска топлива)

| № реле/ предохранителя | Обозначения |
| 1 | Разъем контроллера |
| 2 | Датчик массового расхода воздуха |
| 3 | Датчик температуры охлаждающей жидкости |
| 4 | Датчик положения коленчатого вала |
| 5 | Датчик положения дроссельной заслонки |
| 6 | Датчик концентрации кислорода |
| 7 | Датчик скорости |
| 8 | Модуль зажигания |
| 9 | Электромагнитный клапан продувки адсорбера |
| 10 | Реле электровентилятора |
| 11 | Реле электробензонасоса |
| 12 | Главное реле |
| 13 | Предохранитель, защищающий силовую цепь реле электробензонасоса |
| 14 | Предохранитель, защищающий силовые цепи главного реле |
| 15 | Плавкая вставка |
| 16 | Предохранитель, защищающий цепь постоянного питания контроллера |
| 17 | Диод |
| 18 | Регулятор холостого хода |
| 19 | Форсунки |
| Х1 | Колодка диагностики |
| Х2 | Колодка соединения с системой электрооборудования автомобиля |
Неисправности дворников ВАЗ 2107
Замена сгоревшего моторчика
В зимнее время года при минусовой температуре часто дворники прилипают к лобовому стеклу. На моторчик дворников идет большая нагрузка, и он сгорает, если не успевает сработать биметаллический или сгореть плавкий предохранитель.
Расположение предохранителя очистителя и омывателя стекла в монтажном блоке
В таких случаях необходимо заменить моторчик. Для этого нужно снять все детали в определенном порядке:
- Открутить гайки крепления;
- отогнуть рычаг, снять его с посадочного места;
- ключом на 22 открутить крепления трапеции с двух сторон;
- снять пластиковые вставки;
- снять уплотнительную резинку капота;
- убрать питание от моторчика стеклоочистителя;
- вынуть его с приводом из отверстия в кузове;
- защитный чехол отогнуть, открутить гайки крепления;
- надавить на выступы шлицов с обратной стороны, на которые садятся рычаги дворников, чтобы они провалились внутрь, пошевелить в разные стороны, трапеция с моторчиком извлечется.
Видеоинструкция по замене трапеции дворников
После разъединения деталей механизма можно ремонтировать шестерню или ставить новый моторчик. Но электродвигатель нужно осмотреть, даже если он в рабочем состоянии. Он представляет собой обычный электродвигатель постоянного тока вращение которого, через червячный редуктор, подводится к трапеции.
По коллектору пройтись тряпочкой, смоченной в растворителе. При большом износе нужно менять якорь или мотор. Дефекты на шестерне обяжут ее заменить. Сборка происходит в обратной последовательности. Поэтому, прежде, чем устанавливать сменный электродвигатель, нужно очистить трапецию от загрязнения, смазать трущиеся элементы, двигатель и редуктор.
Неполадки трапеции
Трапеция передает вращательные движения от электродвигателя к дворникам и обеспечивает возвратно-поступательное движение дворников во время очистки стекол. Перебои в работе дворников возникают из-за проблем с трапецией, окисленные втулки и коррозия на осях приводят к заеданиям и медленной работе механизма. Снимать трапецию можно плоской отверткой. Чтобы при установке трапеции выставить правильное положение необходимо:
- установить моторчик в начальное положение;
- параллельно друг другу расположить кривошип и короткую тягу;
- после этого к трапеции закрепить моторчик.
Не работает реле дворников
При отказе дворников в работе прерывистого режима можно утверждать, что из строя вышло реле. Сначала нужно проверить подачу питания на колодку реле. Для этого необходимо снять реле, включить дворники в прерывистом режиме работы, проверить напряжение на клеммах. Если ток не поступает, нужно устранить обрыв цепи или заменить выключатель. Конструкция реле такова, что ремонту оно не подлежит. Так что, если при напряжении оно не работает, нужно менять деталь на новую.
Выключатель дворников
Чтобы проверить поступление напряжение на выключатель, нужно снять накладки с рулевого управления или на колодках подключения реле. На проводе черно-желтого цвета напряжение есть всегда. Проверить на красном и сером проводах. Если на одном из них нет напряжения, значит нужно менять выключатель.
Причины перегорания предохранителя.
Если в двух положениях переключателя дворники не работают, то скорее всего перегорел предохранитель, который служит для защиты цепи от коротких замыканий и перегрузок. Когда рычаг управления дворниками установлен в позицию » выключено», и щетки не останавливаются в нижней части стекла или в другом месте, значит, проблема в редукторе. Именно там установлен специальный выключатель, который следит именно за тем, чтобы после выключения щетки оставались в нужном положении.
Где Находится Реле Дворников На Ваз 2107
Где находится реле стеклоочистителей в автомобиле ВАЗ-2107?
Владельцы ВАЗ-2107 должны трансформировать и модернизировать автомобиль по-своему, если, конечно, не возникнет желание довести «чугун» до идеального, что возможно. Это относится к щеткам стеклоочистителей, которые показывают медленную езду на велосипеде.
Средство для чистки ветрового стекла предназначено для тщательной очистки поверхности ветрового стекла, поэтому, если оно не работает эффективно, не повреждается и не тормозит, дорога впереди в дождь или метель становится затруднительной для просмотра.
Функции стеклоочистителя основаны на получении достаточной мощности и бесперебойной работы регулятора. Последняя деталь незаменима в дизайне дворники
, поэтому каждый водитель ВАЗ-2107 должен знать, где является реле, так что он может быть заблокирован в любое время.
Реле управления стеклоочистителями
Стеклоочистители с электродвигателем 12 В. Однако это слишком большая мощность, если предполагается значительное количество постоянного тока. Это уменьшение постоянного тока в цепи реле RS-514, которая регулирует частоту стеклоочистителя. Автомобиль ВАЗ-2107 оснащен двумя стеклоочистителями. одно возможно без перерыва, другое. паузы через 4 секунды.
Реле стеклоочистителя для ВАЗ-2107, В частности, там, где это есть, многие автолюбители заинтересованы, иначе в некоторых случаях невозможно отремонтировать дворники ветрового стекла. Таким образом, механизм размещен под торпедой слева с направляющей на сиденье водителя. Установка осуществляется непосредственно на кузов автомобиля ВАЗ-2107, так как надежные замки выступают из двух винтов, расположенных под кабиной. Проверяя реле, вы можете убедиться, что оно подходит для проводки, на конце которой есть разъем для подключения устройства.
Разъем, отвечающий за подключение штекера, расположен на приборной панели рядом с регулировкой угла наклона фар. Чтобы завершить ремонт, вы должны получить его снизу. Если вы сомневаетесь, что выбрали правильный штекер, выключите его и убедитесь, что дворники работают.
Если рычаг является в положении 1, но дворник не работает, механизм не включается.
Исправить глюки дворники
на классике.
Обзор новой модели сборочных блоков для классики ВАЗ
2104, 2105,2107 производство АВАР 402.3722.
Реле стеклоочистителя выглядит как коробка, окрашенная в черный цвет, к которой подключен провод длиной 15 см. Если вы начнете разбирать его, вы увидите внутри электрическую плату с электронными компонентами. Они собираются вместе и соединяются друг с другом, учитывая дизайн, разработанный дизайнерами, эта схема просто поддерживает реле дворник в работоспособном состоянии.
Для лучшего понимания мы разбираем щетки стеклоочистителей на части:
- Электромагнитная катушка.
- Микроскопический контроллер HP37.
- Конденсатор.
- Резистор.
Существует несколько резисторов, но они не так важны, как основной резистор, расположенный рядом с контроллером в правом нижнем углу устройства. Плата содержит 4 провода, которые передают сигналы от щетки стеклоочистителя ВАЗ-2107.
Как работает приемник дворника?
Стеклоочистители установлены на лобовое стекло ВАЗ-2107, они функционируют благодаря слаженной работе двигателя, реле, предохранителя, переключателя и источника питания 12 В. После подачи тока на соленоид стеклоочистителя автоматически подключается подвижная арматура, затем обмотка и, наконец, контакты крышки устанавливаются все ниже и выше.
Что произойдет дальше:
- Якорь продолжается до середины, что позволяет отделить контакты сверху и выровнять контакты снизу.
- В начале катушки находится кронштейн, оснащенный биметаллической панелью, завернутой в тонкий провод, который просто пропускает ток.
- Ток способствует нагреву панели, а затем размыкает контакты.
- Через некоторое время панель полностью остывает и занимает прежнее положение.
- Когда контакты размыкаются, на катушке отображается ЭДС.
- Для подавления электродвижущей силы в механизм встроен резистор 62 кОм.
Функции реле стеклоочистителя
Работают дворники на лобовом стекле благодаря электромотору, который подает напряжение 12В. Однако это слишком большая мощность, предполагающая весомую величину постоянного тока. Именно для снижения показателя постоянного тока в электроцепи устанавливают реле формата РС-514, регламентирующее периодичность движения дворников. Машина ВАЗ-2107 оснащена 2 вариантами движения стеклоочистителей – один возможен без перерыва, другой насчитывает паузу в 4 секунды.
Реле дворников на лобовом стекле в ВАЗ-2107, в частности, где находится, интересует многих автолюбителей, иначе починить стеклоочистители в некоторых случаях становится невозможным. Так вот, механизм размещен под торпедой слева с ориентиром на водительское кресло. Крепеж произведен прямо к кузову машины ВАЗ-2107, в качестве надежных фиксаторов выступают 2 винта, находящиеся под обивкой салона. При осмотре реле можно заметить, что к нему подходит проводка, на конце которой присутствует штекер для подключения приспособления.
Разъем, который отвечает за подключение штекера, размещается на панели с приборами около регулятора гидрокорректора фар. Чтобы осуществить ремонтные работы, необходимо достать его снизу. Если сомневаетесь, что выбрали нужный штекер, отключите его и проверьте, работают ли стеклоочистители.
Дворники на фары
Некоторые владельцы «семёрок» для удобства пользования головным светом устанавливают дворники на фары. С помощью этих элементов отпадает необходимость постоянной очистки оптики от грязи вручную, что особенно актуально в дождливую погоду. Для внедрения механизма потребуется следующий перечень:
- двигатели фароочистителей 2 шт. (левый и правый);
- две переходные планки;
- поводки щёток;
- щётки;
- бачок омывателя с двумя насосами;
- пятиконтактное реле;
- проводка с колодками;
- электроклапан от «восьмёрки»;
- тройник и трубка омывателя около 2 м.
Что касается самих щёток, то их можно установить как от ВАЗ 2107, так и от ВАЗ 2105.
Основными элементами для оснащения фар дворниками являются моторчики, поводки, щётки, бачок с насосами, электроклапан, реле и проводка
Установка
Последовательность действий по монтажу фароочистителей такова:
- Отворачиваем крепёж и снимаем решётку радиатора. Демонтируем радиаторную решётку, отвернув соответствующий крепёж
- Вставляем моторчики в родные пазы. Моторчики устанавливаем в родные пазы
- Закрепляем электродвигатели с наружной стороны при помощи гайки на 14. Чтобы вал не закисал, снимаем резиновый колпачок, набиваем под него смазку Литол-24 и ставим на место. Крепятся моторчики гайками на 14
- Монтируем на вал поводки со щётками. Поводки крепятся на вал электродвигателей
- Протягиваем под капот трубки омывателя и ставим на место радиаторную решётку. Трубки от щёток протягиваем под капот
- Вместо штатного бачка омывателя ставим бачок с двумя моторчиками. На один подводится трубка, идущая к лобовому стеклу, к другому подключается трубка от фар через тройник и клапан. Плюс на клапан подаётся от питания насоса. Штатный бачок заменяем новым с двумя насосами
- Подключаем провода согласно схеме. Омыватель фар подключаем в соответствии со схемой
- Реле устанавливаем на штатное место в монтажном блоке. Реле очистителей и омывателей фар устанавливаем в монтажный блок в соответствующий разъём
Поскольку по описанной выше инструкции омыватель фар работает одновременно с омывателем ветрового стекла, в весенний и осенний периоды жидкость из бачка в дневное время расходуется довольно быстро, что многих автовладельцев не устраивает. Для более рационального использования жидкости на омыватель фар следует установить отдельную кнопку.
Для этого выполняем следующие действия:
- Извлекаем провода с Ш3 | 2 в салоне и ставим в пустую колодку Ш2 | 8 согласно схеме. Для отдельного управления омывателем и очистителем фар необходимо внести некоторые изменения в электрическую схему
- Вынимаем провода с Ш7 | 8 в салоне и ставим в пустую колодку Ш8 | 7.
- В свободный разъём колодки Ш3 | 2 заводим минус через любую кнопку, которую устанавливаем в удобном для водителя месте. Кнопку управления омывателями и очистителями фар можно расположить в любом удобном месте в салоне
Механизм дворников «семёрки» периодически нуждается в обслуживании, поскольку работа элементов связана с постоянным трением. При возникновении неполадок, определить и устранить их можно своими руками, при этом не понадобятся специальные инструменты и большой опыт в ремонте автомобилей.
Владельцам ВАЗ-2107 предстоит переоборудовать и модернизировать автомобиль на собственный лад, если, конечно, есть желание усовершенствовать «железку» до возможного идеала. Это касается и дворников, которые показывают медленную цикличность движения.
Стеклоочиститель создан для тщательной чистки поверхности лобового стекла, поэтому если он работает неэффективно, заедает и тормозит, дорога впереди в дождь или метель становится трудно просматриваемой.
Функции дворников основаны на поступлении соответствующего питания и бесперебойной работе регулятора. Последняя деталь незаменима в конструкции дворников, поэтому каждому водителю ВАЗ-2107 желательно знать, где находится реле, чтобы устранить неполадки в нем можно было в любое удобное время.
Работают дворники на лобовом стекле благодаря электромотору, который подает напряжение 12В. Однако это слишком большая мощность, предполагающая весомую величину постоянного тока. Именно для снижения показателя постоянного тока в электроцепи устанавливают реле формата РС-514, регламентирующее периодичность движения дворников. Машина ВАЗ-2107 оснащена 2 вариантами движения стеклоочистителей – один возможен без перерыва, другой насчитывает паузу в 4 секунды.





















![Ваз 2107: где находится реле дворников? [решено]](http://uteufo.ru/wp-content/uploads/a/c/4/ac4e4bcd7c288e391f3d74a9630b79dc.jpeg)








