Как заменить багажник, она же крышка багажника, она же дверь задка на ВАЗ 2108-ВАЗ 2109?
Подготовка к замене:
Примечание! Прежде чем приступить к работе, снимите оба газонаполненных упора. Оба газонаполненных упора снимаются аналогично, поэтому пример снятия будет показан лишь на одном из них!
1) В начале возьмите палку подходящего диаметра и подоприте ей дверь багажника.
2) Теперь при помощи отвертки подденьте верхнее крепление газонаполненного упора.
Примечание! После поддевания отсоедините верхнюю часть упора от кронштейна!
3) Когда верхняя часть будет отсоединена, отсоедините нижнюю часть газонаполненного упора и после чего снимите его.
4) И в завершение выверните кронштейн крепления упора.
5) А после выворачивания извлеките его из крышки задка.
Примечание! После снятия проверьте состояние кронштейна, деформированный замените на новый!
Замена багажника:
Примечание! Операцию по замене двери багажника во избежание травм, лучше всего производите с помощником!
1) Сперва при помощи отвертки подденьте десять пистонов крепления обшивки двери задка.
Примечание! После отсоединения снимите обшивку!
2) Далее разъедините абсолютно все колодки проводов, которые будут мешать снятию крышки багажника.
3) После разъединения отсоедините все колодки от проводов.
Примечание! Чтобы при установке не путать какая колодка на какой провод идёт, их рекомендуется помечать фломастером!
4) И после чего извлеките провода из двери багажника.
5) Затем извлеките несколько пистонов крепящий край задней части обшивки потолка, и после чего немного отогните её чтобы она не мешала снятию багажника. (Как извлечь пистоны и отсоединить обшивку, см. в статье: «Замена обшивки потолка», пункты «1-4»)
6) После чего при помощи удлинителя с накидной головкой, отверните гайку крепления клемы.
Примечание! Под этой гайкой должна располагаться клема, которую необходимо будет снять!
7) Следом с каждой стороны отверните по две гайки крепящих петли крышки багажника.
И в завершение снимите дверь багажника с автомобиля.
Замена петель багажника:
1) Сперва снимите с обоих петель по прокладки.
2) Далее отверните удлинителем с накидной головкой, с каждой стороны отверните по два болта которые крепят петли на двери задка.
3) И в завершение снимите петли и установленные под ними прокладки.
Установка: Установка всех деталей, а к ним относятся: петли багажника, сама крышки задка и газонаполнительные упоры, производится в обратном порядке снятию.
Важно! Прежде чем начать работу, желательно скинуть «минусовую» клему с аккумулятора, для того чтобы не возникло проблемы с электроникой! (Как скинуть клему, читайте инструкцию в статье: «Замена аккумулятора», пункт «1»)
Гремит крышка багажника ваз 2114 – решение
И так, как я писал ранее, у меня, как и у всех самар, зад машины выдает характерные скрипы, стуки и т.д.
Неделю полазил в нете, неделю искал этот жуткий скрип. Кто то говорил что трос ручника трет балку, кто то сказал что втулки надо помазать силиконом и т.д.
Сам же грешил что это стойка. Но посмотрев под машиной увидел что трос трется об днище. Как и советовали, побрызгал эти места и втулки силиконом, результата не было. И вот сегодня, договорившись со своим другом решил прокатиться в багажнике. Было весело, места еще на двоих хватает:D (это на всякий случай, чтоб трупы таскать и т.д.)
Ну вот мои покатушки пару минут в багажном отсеке дали результат. Как оказалось скрипел дверь багажника. Вроде звук был в районе левой стойки…ну да ладно, главное нашел что скрипел.
Замок новый, отрегулирован, но толку нет:(
Как то у друга увидел ответную часть замка пятой двери. Старый хоз-ин машины поставил его наискось. Сначала поржал, потом все же подумал, надо и мне так же сделать. Но случая не было.
Сегодня, когда катался в багажнике, вспомнил про его замок, и замутил себе так же. И знаете, старый хозяин его машины, гений. Дверь намертво сидит. Я сам не ожидал таких результатов. Работа на одну минуту!
У кого такие же проблемы с дверью, делайте так же. Эффект вас обрадует.
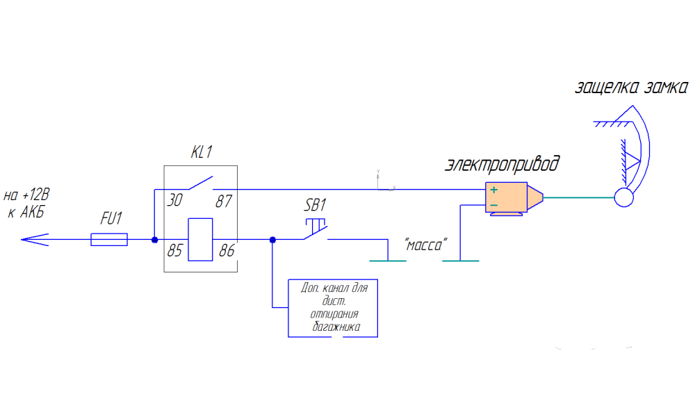
Установка привода
Регулировка положения крышки багажника возможна, если вместо механического замка установить электронное устройство, в данном случае — привод. Для его монтажа понадобятся:
- универсальный набор установки привода для машины;
- металлический тросик с сечением 1,5 мм и 500 мм длиной;
- два контактных провода подключения по 4,5 м;
- саморезы с широкими шляпками;
- кнопка открывания для замка;
- фиксатор;
- предохранитель;

Устанавливаем привод на подготовленное место, согласно инструкции. Далее придется внести несколько поправок в конструкцию:
Открывание багажника ВАЗ производится при помощи нажатия кнопки, которую можно установить в салоне.
Регулировка электронного устройства производится по вложенной инструкции. Все остальные нюансы, которые стоит учесть при монтаже устройства в моделях ВАЗ, были указаны.
Как открыть ВАЗ 2114 без ключа? ВИДЕО
У каждого в жизни могут быть ситуации, когда по несуразной случайности ключи от машины остаются снутри захлопнувшегося автомобиля. Обычно, запасной набор ключей находится вне зоны досягаемости (дома, на работе, на другом конце городка) либо совсем отсутствует. Что делать в таком случае горе-автомобилисту без посторонней помощи слесаря – разглядим дальше в нашей статье.
Творение российского автопрома – в лице ВАЗ 2114, в отличие от более ранешних его предшественников, обустроено цилиндрическими заглушками на двери, что исключает вариант открывания двери с помощью веревки либо лески. В данном случае нам на выручку придет обычная железная проволока.
Итак, последовательность действий будет следующей:
Ни для кого не тайна, что плотность салона ВАЗ 2114 достигается методом использования резинового уплотнителя стекла. Для фиксации стекла уплотнитель прокладывается у его основания: меж каркасом двери и конкретно оконным стеклом. Чтоб просочиться вовнутрь машины нам нужно аккуратненько поддеть край уплотнителя (со стороны замыкающего механизма) и вытянуть его из паза. Поддевать материал удобнее всего узким плоским предметом (пилочкой для ногтей, плоской отверткой либо узеньким перочинным ножиком). Вытаскивать весь уплотнитель совершенно необязательно, ведь для последующих манипуляций нам будет довольно и нескольких см свободного места.
Дальше нам пригодится отыскать подходящий отрез металлической проволоки. По длине она должна быть не меньше высоты двери. На конце прутка нужно сделать загиб длинноватой 2-3 см под углом 45 0 .
Сейчас можно приступать конкретно к самой процедуре «вскрытия». В приготовленную заблаговременно дверную щель, просовываем загнутый конец проволоки до столкновения с «преградой». Обычно это и есть запирающий механизм. Далее нужно плавненько крутить, продвигать, смещать проволоку, чтоб отыскать путь обхода замка
Замена замка багажника на ВАЗ-2113 2114 2115
Старый механизм снят, нужно установить новый. Процесс обратный демонтажу.
Замена личинки производится на снятом замке. Нужно проверить состояние пружины. Если элемент слабый, требуется поменять.
При установке нового элемента не нужно сразу затягивать болты — багажник не будет закрываться. Рекомендуется отрегулировать положение крышки фиксаторами. Болты затягиваются медленно. Так получится произвести регулировку, чтобы крышка плотно закрывалась. Нужно проверить уплотнители. При износе элементов крышка бьется о кузов, создаются вибрации.
Замок багажника семейства «Лада-Самара» часто выходит из строя. Одна простая переделка поможет избавиться от проблемы. Достаточно установить изделие от «Лады-Гранты».
Процесс следующий:
- Изготовить крепление из уголка 40 х 40 мм.

- Установить заглушку личинки на крышке.
- Подключить провода. «Запитаться» от элементов, идущих к дворнику. Один провод (белый с синей полосой) подключается к приводу замка, другой (желтый с голубой полосой) — к концевику.
- Установить новое изделие, отрегулировать, убедиться в работоспособности.
После произведенных действий получаем надежный и долговечный механизм, который не откроется самостоятельно и не будет дребезжать.
Перед началом работ нужно отсоединять клемму (-) с аккумулятора для безопасности.
Отключение клеммы от аккумулятора
Причины скрипа
В рулевой колонке
Появился скрип в рулевой на кочках – источником служат тормозные металлические трубки, которые трутся о хомуты и шланги. Процесс лечения следующий: трущиеся поверхности трубок отделяем и обматываем изолентой или другими подручными средствами.
Двери снизу
Особенно сильно скрипит зимой или на не прогретую машину. Источником скрипа являются дверные карманы, а именно пластиковые клипсы, где стоят колонки. Устранить скрип двери можно попробовав завернуть в изоленту те самые клипсы, или посадить карманы на саморезы, как я и сделал.
Панели
Опять же, когда машина холодная, пластик твёрдый, из-за вибрации двигателя появлялся треск панели, а именно от стыков панели обшивки на торпеде. Можно проклеить стыки паралоном на клей или битопластом или маделином.
«Скрип сзади» — болезнь всех четырнадцатых.
Причины:
Есть два способа их устранения:
- Снять подголовники.
- Намотать на стыки изоленту.
Шумят тросики печки
Тросики ударяются об панельку. Лечение: Опять же обмотать тросики на местах ударов об панель чёрной изолентой.
Бывает, что со временем начинают дребезжать красные кнопки снятия ремней безопасности. На сегодняшний день ещё нет более эстетичного способа устранения проблемы, кроме подпереть чем нибудь: засунуть кусочек картона, можно попробовать обклеить изолентой, или тонким поролоном.
В процессе эксплуатации автомобиля, начинают тереться о кузов и издавать неприятный звук боковые полки багажника.
Устраняем следующим образом: снимаем планку, где ответка для замка крышки багажника, откручиваем полку и стыки с кузовом, проклеиваем либо битопластом, маделином, либо двусторонним скотчем. А ещё лучше обтянуть эти боковины карпетом.
Полка багажника
Здесь причиной скрипа служат все стыки полки с боковыми панелями и держателями. Вариантов устранения проблем много, но все они связаны с подкладкой, приклейкой к стыкам чего-нибудь. Например, скотч, подкладка, маделлин. Так же можно обтянуть карлетом и уйдёт не только скрип полки багажника, но и скрип боковых полок.
Для начала нужно проверить, надавив по кроям обшивки, плотно ли прилегает она к двери. Если нет, то можно попробовать повторно забить её в клипсу, или снять обшивку полностью и заменить все клипсы. Если треск остался, можно приклеить на металл битопласт.
Ручки стеклоподъёмника
Для начала можно побрызгать силиконовой смазкой, затем подложить поролон. Так же можно воспользоваться уплотнителем для труб.
В рулевой при трогании и торможении
Скорее не скрип, а стук. Стук проводов об пластик.
Чтобы избавиться, нужно разобрать панель и намотать на жгуты проводов маделин.
Бардачка
Вынимаем всё, подкручиваем всё что можно, ставим металический поводок от стеклоочистителя, обклеиваем бардачок со всех сторон тонким паралоном.
Устраняем обматывая изолентой.
Шум бортового компьютера на кочках
Лечим так же как и всё, паралоном.
По своей конструкции задняя подвеска несколько проще передней. Но это не означает, что она не может стучать. Стуки в задней части автомобиля часто становятся слышны уже в тот момент, когда необходимо срочно отправляться на СТО и ремонтировать машину. В передней части мы слышим обычно отдачу на руль или педали, на корпус, да и просто звуки ближе. В задней части звук может отдавать в багажник, откуда его совершенно не слышно. И вот, один раз в десятилетку, водителю нужно перевезти что-то длинное, и он складывает спинку заднего сидения. Стук сразу становится ощутимым, и приходит понимание наличия проблемы. И если в передней подвеске можно прямо по характеру стука определить, что именно происходит с автомобилем, то в задней части все это сделать намного сложнее. Есть определенные способы диагностики, но в общем и целом понять причину стуков не так просто.
Лучше всего использовать мануальный метод диагностики, если на СТО поехать не получается. Также есть диагностирующие стенды, которые безошибочно выполняют качественные задачи определения любых неполадок в системе подвески. Можно отправиться к хорошему мастеру, работающему где-то в гаражах и сэкономить на ремонте деньги, но для такого шага этот специалист должен быть вам знаком или рекомендован. Иначе не стоит пользоваться такими услугами. Ездить же со стуком в задней части и думать, что эта подвеска не столь важна в автомобиле, не совсем правильно. Возможны самые разные проблемы, которые могут привести к неприятным последствиям. Есть ряд причин, которые стоит учитывать
Давайте разберемся с теми деталями, на которые стоит обращать внимание при самостоятельной диагностике
Крышка багажника ВАЗ 2114
Добавлено Июл 31, 2014 в Советы и инструкции
Для чего вообще нужна крышка в багажник автомобиля? в данном случае за основу берется автомобиль ВАЗ 2114 или же ВАЗ 2109. Ответ очевиден – крышка открывает доступ водителю в багажный отсек авто.
Вообще, крышка багажника (она же — задняя дверь) является индивидуальной конструкцией, а не частью багажного отделения. А правильный монтаж и регулировка дает возможность сильно ее открывать и облегчает погрузку больших грузов в багажник.
При монтаже или замене крышку багажника ВАЗ 2114 рекомендуется уплотнить по всему контуру ее расположения. Тогда не возникнет вопрос, почему гремит задняя дверь на ВАЗ 2114. Для этого используется принцип уплотнения дверей (крышка уплотняется непосредственно в кузове авто). Плюсом данной процедуры является ненадобность демонтажа крышки для ее технического оснащения (амортизаторы, подсветка и т.п.).

Если говорить о форме данной конструкции, то она в точности копирует линию кузова. По контуру крышки расположены специальные регулировочные опоры (5 штук), дающие возможность плотно приложить крышку к поверхности корпуса авто. Плюс ко всему, специальный резиновый контур трубчатой формы, изготовленный при помощи вулканизации, обеспечивает необходимую герметичность.
Как уже говорилось, крышка багажника (задняя дверь) откидывается достаточно сильно, поэтому с правой ее стороны расположена ручка, дающая возможность притягивать крышку. Ее крепление выглядит в виде прочного болта с пластмассовой скобой, фиксирующей панель. Данная панель закрывает собой все компоненты, расположенные в нижней части крышки багажника.

Как регулировать крышку багажника ВАЗ 2114 своими руками
В этом же разделе мы ответим на вопрос как менять заднюю дверь (в целом и на ВАЗ 2114 и ВАЗ 2109 в частности)
Процедура регулировки крышки багажника для достижения оптимального положения выполняется достаточно просто. Главное, придерживаться конкретной последовательности действий.
Сначала отсоединяется провод от минусовой клеммы аккумулятора авто.
Когда автомобиль обесточен, можно открывать багажник и отсоединять провода от клемм накладки крышки багажника. Жгут проводов рекомендуется извлечь из полости багажника.
Теперь можно снимать крепления накладки багажника. Накладка снимается вместе с подсветкой госномера.
Далее следует демонтировать приводы замков багажника и крышки багажника. Для этого нужно открутить гайки крепления и отсоединить тягу, после чего привод легко снимается. Аналогично снимается и сам замок задней двери на ВАЗ 2114.
Теперь можно приступить к демонтажу крышки багажника. Предварительно нужно отсоединить газовые упоры, раскрутить крепления крышки (фиксируемые на петлях). После этой процедуры крышка багажника должна сниматься без дополнительных трудностей.
На контактные части багажника и крышки требуется нанести специальную смазку (лучше всего взять ЛСЦ-15, так как она полностью реализует защитные функции). Также требуется обработать смазкой и замок багажника.
Все зазоры, которые допускаются между крышкой багажника и компонентами кузова, должны быть одинаковыми.

Могут возникнуть ситуации, когда замок крышки багажника открывается или закрывается с определенными трудностями. Значит нужно выполнить регулировку замка, для чего нужно осуществить следующие процедуры:
- наметить контуры первоначального положения замка и фиксирующих пластин;
- немного раскрутить крепежные компоненты;
- зафиксировать замок и фиксатор в новом положении;
- слегка затянуть крепления, проверить работоспособность, и если все работает исправно, то окончательно закрепить замок и фиксатор.
http://www.vazbook.ru/15/2114/body/trunk/dver-bagazhnogo-otdeleniya-snyatie-i-ustanovkahttp://autorambler.ru/bz/remont/211_body_9http://remontvazov.com/zamena-kryishki-bagazhnika-vaz-2114http://vaz-russia.com/remont-vaz-2108/zamena-bagazhnika-na-vaz-2108-vaz-2109.htmlhttp://autotema.info/sovety-i-instrukcii/kryshka-bagazhnika-vaz-2114.htm
Основные неисправности
К главным проблемам багажника, с которыми может столкнуться владелец ВАЗовской машины, относятся:
- невозможность закрыть багажник — причиной этого чаще всего является перекос направляющих или запорной площадки;
- невозможность запереть багажник — виной этому, как правило, является лопнувшая ответная часть замка, изготавливаемая из силумина;
- появление щелей — может возникнуть как из-за перекоса крепежа, так и из-за повреждения самой рамы двери;
- появление скрипов во время открывания/закрывания — возникает, чаще всего, из-за износа уплотнителя.

Перекос багажника ваз 2114
Чтобы устранить их, необходимо демонтировать багажник и выполнить замену изношенных элементов (а в некоторых случаях, например, при общем перекосе, достаточно простой настройки двери — о том, как отрегулировать багажник на ваз 2114, мы расскажем в конце статьи).
Гремит крышка багажника ваз 2114 что сделать
Возникновение проблемы
Новомодный дизайн кузова многих моделей ВАЗ стал началом проблем. Во многих автомобилях владельцы замечают неприятные шумы и хлопки с задней стороны кузова. Эти громкие звуки раздаются, когда машина проезжает по неровностям и дверка багажника начинает стучать. Скорее всего, этот недочет получился в результате того, что тест автомобиля проводился в пригодных для поездки условиях — на ровном дорожном покрытии. В идеальных условиях трудно заметить неправильное положение запорной площадки или штока. Кроме того, зазор обычно появляется только после поездки по некачественному покрытию из-за вибрации, возникающей в стыках.
Еще одна причина — износ механизма закрывания. Из-за этой проблемы открывается багажник на ходу ВАЗ 2114. Такая же ситуация возникает и у других моделей. Это происходит из-за того, что запорный зуб замка или сломался, или почти полностью стерся. Казалось бы, что здесь такого, ведь можно взять и поменять замок на новый. Но проблема останется, если не изменить подход к ней. Основной замочный механизм закрывания нужно заменить на устройство другого типа.
Также причинами того, что багажник самопроизвольно открывается во время движения автомобиля, могут стать поломка силуминовых деталей или износ уплотнителя.
В любом случае придется менять механизм, но на что?

Варианты замены
Первый вариант банален до невозможности — купить аналогичный замок. Причем понадобится купить полностью весь замок, а не отдельную его деталь, ведь конструкция механизма неразборная. Замена производится при полном демонтаже старого замка. Это решение стоит рассматривать как временное, так как технология производства та же, и проблемы останутся. Со временем придется менять и новый замок. Единственная положительная сторона такого решения — это вполне дешево.
Второй вариант предполагает полную замену механического замка на электрический контролируемый привод. Что это дает?
- Надежное закрывание багажника.
- Возможность контролировать положение задней дверцы с места водителя.
Установка такой системы — не самое дешевое удовольствие, зато окончательный результат действительно порадует пользователя. Электронный привод куда удобнее в обращении и является надежной заменой механическому аналогу.

Демонтаж старого замка
В качестве примера будет взята модель ВАЗ 2114.
В работе пригодятся такие инструменты:
- набор крестовых отверток;
- ключ на 8.
Последовательность замены следующая:
- Первым делом, чтобы не повредить внутреннюю обивку багажника, снимаем десять пластиковых креплений, а потом пластиковый кожух с замка.
- Снимаем обшивку, после чего откручиваем гайку, которая закрепляет замок на месте.
- Отворачиваем провода, которые мешают.
- Далее необходимо открутить правую гайку крепления и снять внутреннюю часть замка с креплений.
- Можно осмотреть целостность пружины и сердцевины. Если эти детали имеют дефекты, значит, проблема в механизме. Менять придется в любом случае все.

Если вам ближе экономный вариант замены на новый механический замок, то его монтаж производится в обратном порядке по описанию.
Установка привода
Регулировка положения крышки багажника возможна, если вместо механического замка установить электронное устройство, в данном случае — привод. Для его монтажа понадобятся:
- универсальный набор установки привода для машины;
- металлический тросик с сечением 1,5 мм и 500 мм длиной;
- два контактных провода подключения по 4,5 м;
- саморезы с широкими шляпками;
- кнопка открывания для замка;
- фиксатор;
- предохранитель;

Регулировка замка двери багажного отделения.
- Откручиваем фиксатор замка так, чтобы его можно было передвигать с легким усилием.
- Теперь нужно прикрыть дверь и через стекло смотрим, чтобы шип замка был напротив гнезда фиксатора.
- После этого сдвигаем фиксатор до упора назад и захлопываем дверь. Так фиксатор замка встанет в оптимальное положение.
- Открываем дверь и закручиваем болты крепления фиксатора в том положении, в котором он встал.
- Также необходимо проверить закрывание двери. Если дверь закрывается неплотно. то нужно достать из-под фиксатора регулировочную пластину.
- Если дверь закрывается слишком туго, наоборот нужно добавить под фиксатор пластину.
Варианты замены
Первый вариант банален до невозможности — купить аналогичный замок. Причем понадобится купить полностью весь замок, а не отдельную его деталь, ведь конструкция механизма неразборная. Замена производится при полном демонтаже старого замка. Это решение стоит рассматривать как временное, так как технология производства та же, и проблемы останутся. Со временем придется менять и новый замок. Единственная положительная сторона такого решения — это вполне дешево.
Второй вариант предполагает полную замену механического замка на электрический контролируемый привод. Что это дает?
- Надежное закрывание багажника.
- Возможность контролировать положение задней дверцы с места водителя.
Установка такой системы — не самое дешевое удовольствие, зато окончательный результат действительно порадует пользователя. Электронный привод куда удобнее в обращении и является надежной заменой механическому аналогу.
Демонтаж старого замка
В качестве примера будет взята модель ВАЗ 2114.
В работе пригодятся такие инструменты:
- набор крестовых отверток;
- ключ на 8.
Последовательность замены следующая:
- Первым делом, чтобы не повредить внутреннюю обивку багажника, снимаем десять пластиковых креплений, а потом пластиковый кожух с замка.
- Снимаем обшивку, после чего откручиваем гайку, которая закрепляет замок на месте.
- Отворачиваем провода, которые мешают.
- Далее необходимо открутить правую гайку крепления и снять внутреннюю часть замка с креплений.
- Можно осмотреть целостность пружины и сердцевины. Если эти детали имеют дефекты, значит, проблема в механизме. Менять придется в любом случае все.
Если вам ближе экономный вариант замены на новый механический замок, то его монтаж производится в обратном порядке по описанию.
Установка привода
Регулировка положения крышки багажника возможна, если вместо механического замка установить электронное устройство, в данном случае — привод. Для его монтажа понадобятся:
- универсальный набор установки привода для машины;
- металлический тросик с сечением 1,5 мм и 500 мм длиной;
- два контактных провода подключения по 4,5 м;
- саморезы с широкими шляпками;
- кнопка открывания для замка;
- фиксатор;
- предохранитель;
Устанавливаем привод на подготовленное место, согласно инструкции. Далее придется внести несколько поправок в конструкцию:
Открывание багажника ВАЗ производится при помощи нажатия кнопки, которую можно установить в салоне.
Регулировка электронного устройства производится по вложенной инструкции. Все остальные нюансы, которые стоит учесть при монтаже устройства в моделях ВАЗ, были указаны.
Изношенный подшипник опоры
Эти звуки проявляются таким же образом, как и при неупругом демпфере, но они более резкие и гораздо звонче. Для того чтобы поставить точный диагноз в этом случае, необходимо снимать стойку. При этом рекомендуется учесть одну достаточно интересную особенность, которая присуща таким поломкам: износ подшипника всегда неравномерный. Так, максимальный износ – там, где он постоянно расположен, когда машина едет прямо. Если после поворота руля стук на время пропадает, тогда это точно опорный подшипник.
Также есть еще один способ диагностики. Он достаточно старый, но эффективный. Снова понадобится помощник. Второй человек должен раскачивать машину вверх и вниз. Водитель должен в это время прощупывать рукой шток амортизаторной стойки. Стук передастся на этот шток.

Еще одна возможная причина – слабая затяжка гайки на верхней опоре, иногда бывает и так.
Тормоза как источник стуков
Иногда звуки, исходящие из подвески, на самом деле исходят от тормозов. Бывает так, что автолюбитель все проверил, заменил все, что можно заменить. Схема передней подвески уже выучена наизусть, а стук как был, так и остался.

Чтобы поставить диагноз, необходимо двигаться. Если стук при торможении пропал, а когда педаль отпущена, снова возобновился, то всему виной тормозные колодки. Эти же проблемы могут возникать после установки новых колодок.
Если машина стучит, не стоит спешить делать ремонт ходовой. Возможно, посторонний звук вызван совсем другой причиной. В этом случае помочь может только полная диагностика. Может быть, достаточно заменить сайлентблоки передней подвески, и звук исчезнет навсегда.
Выводы
Как видите, сделать эту работу самостоятельно довольно просто. Это не требует каких-либо специальных инструментов или специальных знаний. Зная моменты настройки и следуя приведенным выше рекомендациям, вы легко справитесь с такой работой самостоятельно.
Среди людей, которые живут, существует мнение, что наш автопром создает, мягко говоря, не очень качественные автомобили. Эта точка зрения может быть слишком предвзятой, но тот факт, что владельцы отечественных автомобилей рано или поздно вынуждены тратить личные деньги на автосервис, является неоспоримым фактом.
Но стоит также отметить тот факт, что некоторые ремонтные работы на отечественных автомобилях можно сделать своими руками. Например, отрегулируйте крышку замка или багажника, о которой мы поговорим в этой статье.
READ Как Посмотреть Расход Топлива На Опель Корса
2). Затем снимите сам замок.
3). Отсюда вынимаем небольшую пружину и проверяем ее состояние. В тех случаях, когда пружина сильно зажата или перекошена, мы заменяем ее на новую.
4). Затем снимите кнопку с личинкой с внутренней стороны крышки багажника и таким же образом проверьте состояние кнопки. Если кнопка замедляется или вообще не работает при нажатии, мы также заменяем ее новой.
Монтаж
1). Сначала мы собираем всю систему обратно. То есть на их место установлена предварительно удаленная кнопка с личинкой и небольшой пружиной.
2). Далее установите новый замок и затяните те же гайки.
3). Затем проверьте, как крышка багажника открывается и закрывается. В случаях, когда в области замка слышен четкий стук, это означает, что либо замок не падает в отверстие замка, либо крышка закрывается очень плохо.
В этом случае необходимо внести коррективы.
Примерно таким образом можно отрегулировать блокировку багажника на ВАЗ 2109 и ВАЗ 2108






























