Не заводится шевроле ланос: что делать?
Не заводится шевроле ланос? Такое может случиться как со старой машинкой, так и с совсем новой. Причин может быть масса, и сегодня мы поможем во всем разобраться. Мы решили написать коротенькую инструкцию на случай, если ваш любимый ланос все таки вас подвел.
Что делать, если машина шевроле ланос не заводится?
Первое, что вам нужно сделать — так это успокоиться, закрыть автомобиль и идти дальше по своим делам, так как устранение поломки может занять много времени, которого часто так не хватает.
Если все такие время есть, прислушайтесь к автомобилю во время попытки завести его.
Если стартер не крутиться, рекомендуем все таки оставить ремонтные работы до вечера, ведь быстро устранить проблему с электрической цепью зажигания не получиться.
На некоторых моделях автомобилей электрическая цепь стартера защищается предохранителем. Если это так — то вам повезло, но если нет — проблема быстро не решится.
Если проблема все таки в аккумуляторе, то тут два варианта. Первый — попробовать почистить клеммы и контакты. Особенно это касается «+».
Делать это нужно при помощи мелкой шкурки. Также желательно заодно подтянуть крепления клемм. Если это не помогло, значит аккумулятор полностью разрядился. Такое бывает когда автомобилист забывает выключить ходовые огни. Уехать в таком случае получиться, нужно просто попросить кого-то «прикурить».
Стартер хорошо крутит, но шевроле ланос заводится и глохнет?

Стартер ланос
В этом случае аккумулятор винить не стоит, ведь главная его задача заключается в том, чтобы стартер крутился, что он и делает
Тут уже стоит обратить внимание на систему подачи топлива и зажигания. Скорее всего, проблема именно в этих системах
Начните с зажигания, ведь оно ломается намного чаще, чем подача топлива. Снимите крышку распределителя. Если под ним есть сырое пятно (если на улице избыток влаги, от этого никто не застрахован), нужно его обязательно вытереть насухо.
Влага — хороший проводник электричества, соответственно по ней искра может поступить куда угодно, но только не туда, куда надо.
Если под рукой имеется тестер, обязательно проверьте подается ли напряжение на катушку зажигания.
Если наши советы вам не помогли, попросите друзей или таксистов отбуксировать ваш автомобиль на ближайшее СТО.
Поломки в автомобиле Шевроле Ланос
Но автомобиль, как и другие виды транспорта, может выходить из строя. Рассмотрим подробно поломку бензонасоса.
В тот момент, когда заводим машину, мы всегда слышим звук функционирования топливного насоса. Потом он поднимает давление в топливной рампе, и электроблок его отключает. Затем бензонасос самостоятельно включается, только при вращении двигателя. Когда датчик коленчатого вала начинает передавать импульсы, подается напряжение на катушку, именно это способствует подаче напряжения на электрический двигатель.
В том случае если не слышно звука работающего бензонасоса, то вполне вероятно, что в Шевроле Ланос не работает бензонасос. Для того чтобы произвести самостоятельно проверку, необходимо выполнить несколько действий.
Поднимаем сидение сзади (со стороны пассажира).
Видим отверстие на колбу, осторожно вынимаем ее.
Направляем отверстие контактами к себе.
Подключаем к ним специальный тестер. Заводим машину и проверяем наличие напряжения.. Если же напряжение все-таки есть, то нужно будет снять топливный насос и подать напряжение на клеммы двигателя от аккумулятора, для того чтобы еще раз убедиться в поломке
Но если напряжение отсутствует, то потребуется вынуть пассажирское сиденье спереди и осмотреть разъем штекера С301. Его контакты достаточно часто окисляются
Если же напряжение все-таки есть, то нужно будет снять топливный насос и подать напряжение на клеммы двигателя от аккумулятора, для того чтобы еще раз убедиться в поломке. Но если напряжение отсутствует, то потребуется вынуть пассажирское сиденье спереди и осмотреть разъем штекера С301. Его контакты достаточно часто окисляются.
Также есть возможность, что из-за предохранителя в Шевроле Ланос не работает бензонасос. Где предохранители находятся, разобраться несложно. Открываем капот, осматриваем общее состояние предохранителя. Если с ним все в норме, то в поломке насоса виновата другая деталь.
Тем, кто не силен в технике, если в Шевроле Ланос не работает бензонасос, схема сможет помочь разобраться наглядно, как произвести проверку, а также подскажет, где и какая деталь находится. Для этого необходимо найти в Интернете схему автомобиля Шевроле Ланос. Или же стоит выбрать самый простой вариант ‒ обратиться в автосервис к специалистам.
Если ваш Ланос стал ехать как-то неохотно, дергается при разгоне, имеются провалы при трогании с места, то в этом случае имеет смысл сделать замер давления в топливной рампе. Для того чтобы замерить давление топлива, вы можете посетить сервис, так как такая услуга довольно дешевая, или же сделать все своими руками. Ничего сложного в этой операции нет, с этим сможет справиться каждый.
Давление топлива в рампе – это тот параметр, который никак не контролируется ЭБУ. И если давление отличается от нормы, то двигатель будет работать не так как должен. Конечно же, если давление слишком маленькое, то ЭБУ увидит это по датчику кислорода и увеличит время впрыска. Но для корректировки подачи топлива требуется определенное время. Корректировка происходит буквально за доли секунды, но этого хватит, чтобы машина дернулась или обороты просто «провалились». Поэтому, знать, как померить давление в рампе определенно нужно.
Блок с предохранителями и реле под капотом
Во всех автомобилях данной серии он находится с левой стороны, под защитной пластиковой крышкой.
Для автомобилей выпущенных до 2010 года
Схема
Описание
Предохранители
| 1 | — | Резерв |
| 2 | 10 | Электронный блок управления автоматической коробкой передач, электронный блок системы управления двигателем |
| 3 | 15 | Система управления двигателем, форсунки, датчик неровной дороги, клапан рециркуляции отработавших газов, датчик концентрации кислорода, датчик положения распределительного вала, клапан продувки адсорбера |
| 4 | — | Резерв |
| 5 | 15 | Реле включения дальнего света фар |
| 6 | 10 | Ближний свет фар |
| 7 | — | Резерв |
| 8 | — | — |
| 9 | — | — |
| 10 | — | — |
| 11 | 30 | Цепь замка зажигания |
| 12 | 15 | Топливный насос |
| 13 | 15 | Цепь выключателя аварийной сигнализации |
| 14 | 20 | Цепь реле обогревателя стекла двери задка |
| 15 | 30 | Цепь блока предохранителей расположенного под панелью приборов |
| 16 | 30 | Цепь замка зажигания |
| 17 | 10 | Ближний свет фар, цепь реле задней противотуманной фары, цепь переключателя света фар |
| 18 | 50 | Гидроэлектронный модуль ABS |
| 19 | 10 | Цепь передних противотуманных фар |
| 20 | 10 | Цепь звукового сигнала |
| 21 | 10 | Магнитола, аварийная сигнализация, цепь кондиционера, подсветка рычага переключения диапазонов автоматической коробки передач, комбинация приборов |
| 22 | 10 | Габаритные огни, электрокорректор света фар |
| 23 | 10 | Цепь реле компрессора кондиционера |
| 24 | 20 | Цепь реле низкой скорости вращения электродвигателя вентилятора системы охлаждения двигателя |
| 25 | 30 | Цепь реле высокой скорости вращения электродвигателя вентилятора системы охлаждения двигателя |
Реле
| К1 | Реле топливного насоса |
| К2 | Реле дальнего света фар |
| КЗ | Реле ближнего света фар |
| К4 | Реле звукового сигнала |
| К5 | Реле противотуманных фар |
| К6 | Главное реле |
| К7 | Реле низкой скорости вращения электродвигателя вентилятора системы охлаждения двигателя |
| К8 | Реле высокой скорости вращения электродвигателя вентилятора системы охлаждения двигателя |
| К9 | Реле габаритных огней |
| К10 | Реле компрессора кондиционер |
Для автомобилей выпущенных с 2010 года
Общая схема
Расшифровка
| 1 | 50 | Реле подогревателя заднего стекла, Блок предохранителей — панель приборов |
| 2 | 15 | Выключатель аварийной световой сигнализации |
| 3 | 30 | Замок зажигания |
| 4 | 15 | Модуль управления двигателем, Катушка зажигания 1, Катушка зажигания 2, Катушка зажигания 3, Катушка зажигания 4, Модуль катушек зажигания, Модуль управления системой питания сжиженным нефтяным газом |
| 5 | 40 | Замок зажигания |
| 6 | 15 | Подогреваемый датчик кислорода, Клапан рециркуляции выхлопных газов, Электромагнитный клапан продувки адсорбера (EVAP), Подогреваемый датчик кислорода 1, Датчик положения распределительного вала, Подогреваемый датчик кислорода 2 |
| 7 | 50 | Электронный блок управления тормозной системы (ЕВСМ) |
| 8 | 10 | Модуль управления двигателем, Модуль управления коробкой передач (MFL) |
| 9 | 20 | Реле подогрева сиденья |
| 10 | 10 | Запасной предохранитель |
| 11 | 30 | Реле вентилятора охлаждения KR620D, высокая скорость |
| 11 | 15 | Модуль управления двигателем, Катушка зажигания 1, Катушка зажигания 2, Катушка зажигания 3, Катушка зажигания 4, Модуль катушек зажигания, Модуль управления системой питания сжиженным нефтяным газом |
| 12 | 40 | Электронный блок управления тормозной системы (ЕВСМ) |
| 13 | 10 | Муфта компрессора кондиционера |
| 14 | 15 | Запасной предохранитель |
| 15 | 20 | Низкая скорость вентилятора охлаждения |
| 16 | 30 | Реле стартера |
| 17 | 15 | Реле топливного насоса |
| 18 | 10 | Плафон подсветки номерного знака, Задний фонарь — левый, Лампа стояночного огня/указателя поворота — левая, Привод корректора света фар — левый |
| 19 | 10 | Лампа стояночного огня/указателя поворота — правая, Привод корректора света фар — правый, Задний фонарь — правый, Реле светильника салона |
| 20 | 20 | Дальний свет фар, Комбинация приборов |
| 21 | 10 | Ближний свет левой фары, переключатель корректора света фар |
| 22 | 10 | Ближний свет правой фары |
| 23 | 10 | Реле звукового сигнала, Датчик незакрытого капота |
| 24 | 10 | Реле передних противотуманных фар |
| 25 | 20 | Запасной предохранитель |
| 26 | — | Не используется |
| 27 | — | Не используется |
| Реле | ||
| R1 | Реле кондиционера | |
| R2 | Реле габаритных огней | |
| R3 | Реле низких оборотов вентилятора | |
| R4 | Реле высоких оборотов вентилятора | |
| R5 | Реле передней противотуманной фары | |
| R6 | Реле топливного насоса | |
| R7 | Главное реле двигателя | |
| R8 | Реле ближнего света фар | |
| R9 | Реле звукового сигнала | |
| R10 | Реле подогрева сиденья | |
| R11 | Реле стартера | |
| R12 | Реле включения дальнего света фар |
Видео «Как найти требуемый защитный элемент»
В этом видео показано, какой предохранитель отвечает за топливный насос. Электропредохранитель прикуривателя меняется так же.
Скиньте обозначения предохранителей на Ланосе.
Где находятся предохранители на Ланосе? – 1 ответ
Расположены блоки предохранителей на Ланосе в нескольких местах.
Блок предохранителей и реле в подкапотном пространстве.

- Цепи предохранителей EF15–EF20 и предохранителей салона F1–F7;
- Выключатель зажигания (IGN1);
- Выключатель зажигания (IGN2);
- Электродвигатель вентилятора системы охлаждения;
- Электродвигатель стеклоподъемника и привода люка (при наличии стеклоподъемника и люка);
- Реле АБС (при наличии АБС);
- Обогреватель заднего стекла (только для хэтчбека);
- Электродвигатель системы вентиляции салона;
- Электромагнитная муфта привода компрессора кондиционера (при наличии);
- Дальний свет левой и правой фары;
- Ближний свет (левая фара), электродвигатель корректора пучка света левой фары;
- Ближний свет (правая фара), электродвигатель корректора пучка света правой фары;
- Габаритные фонари (левая сторона), включатель электродвигателей корректоров пучка света;
- Габаритные фонари (правая сторона), фонарь освещения номерного знака;
- Противотуманные фары;
- Электродвигатель топливного насоса;
- Звуковые сигналы;
- Электромагнитная муфта привода компрессора кондиционера (при наличии);
- Реле фар, переключатели света фар, указатели поворота;
- Реле корректоров пучка света фар и цепь предохранителя EF13;
- Не используется;
- Реле компрессора кондиционера;
- Реле фар;
- Реле звуковго сигнала;
- Реле вентилятора радиатора;
- Реле стеклоподъемника;
- Реле габаритов;
- Не используется;
- Не используется;
- Реле обогревателя заднего стекла;
- Реле топливного насоса;
- Блок перемычек.
С 1 по 20 предохранители имеющие обозначения ЕF (кроме пункта 9 — это диод D9). С 21 по 32 — реле.
Номинальный ток: красные — 10 А, голубые — 15 А, желтые — 20 А, белые — 25 А.
Блок предохранителей в салоне.

- Плафон освещения салона, плафон освещения багажника;
- Переключатель света фар;
- Аварийка;
- Не используется;
- Контроллер;
- Аудиосистема;
- Фонари стоп-сигнала;
- Не используется;
- Аудиосистема;
- Прикуриватель;
- Комбинация приборов, часы, сигнальная лампа ремня безопасности, освещение бардачка;
- Фонарь заднего хода;
- Не используется;
- Генератор, датчик скорости, форсунки, адсорбер, клапан рециркуляции отработавших газов;
- Модуль зажигания;
- Аварийка;
- Контроллер, реле топливного насоса;
- Электродвигатель стеклоочистителя и насоса стеклоомывателя;
- Реле вентилятора системы охлаждения, реле обогревателя заднего стекла;
- Электродвигатель системы вентиляции салона.
Предохранители в салонном блоке находятся слева, возле ног водителя. Чтобы к ним подобраться нужно будет снять защитную крышку.
Подпишись
на наш канал вЯ ндекс.Дзене Еще больше полезных советов в удобном формате
Нередко автолюбителя сталкиваются с вышедшим из строя электроприбором и не знают, что делать дальше. Казалось бы, электрическая схема автомобиля слишком сложна и не каждому под силу найти причину неисправности. Неужели при любой поломке нужно везти ваш «Шевроле-Ланос» электрику? Конечно, нет. Наиболее частой причиной того, что электроприбор перестает работать, становятся сгоревшие предохранители. Поэтому прежде чем впадать в панику и ехать к мастеру, нужно заглянуть в блок предохранителей (БП) «Шевроле-Ланос» и осмотреть его.

В современных автомобилях традиционно предусмотрено два блока предохранителей: основной (или монтажный) и дополнительный. Так как это не совсем верная градация (ни один из них не является более важным по сравнению с другим) многие называют их внутренним и внешним блоком. В БП установлены плавкие предохранители (ПП) различного номинального тока и реле. И те, и другие элементы БП служат для защиты приборов электрической цепи. ПП являются элементами мгновенного действия, то есть они сгорают в тот момент, когда ток в цепи превышает значение номинального (который индивидуален для каждого ПП). Реле защищают элементы цепи от сильных перегрузок: от короткого замыкания и сопутствующего ему огромного напряжения в цепи.
Шевроле Ланос не заводится: причины и пути устранения проблемы
Машины Шевроле имеют мощные, экономные двигатели, которые оснащены впрыскиванием топлива и имеют много преимуществ. Однако бывают случаи, когда в электронной системе управления обнаруживается поломка, и машина не движется с места.
Если Шевроле Ланос не заводится, причины могут быть разные, поэтому нужно научиться вычислять симптомы, которые чаще всего встречаются при неисправности двигателя. Если вы самостоятельно сможете устранить проблему, это убережет ваши деньги и нервы.
В первую очередь необходимо успокоиться и сосредоточиться на причинах возникновения проблемы. Ниже указаны как простые проблемы, которые вы сможете с легкостью устранить за считаные минуты, так и сложные.
Последние трудно решить самому, и возможно потребуется съездить в СТО.
Ситуации с простым решением
- Когда Шевроле Ланос схватывает, но не заводится, прежде всего, необходимо убедиться в наличии топлива, причина может заключаться лишь в том, что вы забыли долить горючего в бензобак. Если такая ситуация сложилась в пути, и вам негде заправить бак, попробуйте сделать следующее: налейте немного воды в плотный целлофановый пакет, туго затяните его, вплетя в узел крепкую тоненькую веревку. Постепенно пропустите его через горловину и при этом не выпускайте из рук веревку.
Это поможет повысить объем горючего и докатить транспорт, несмотря на габариты Шевроле Ланос, в СТО.
- Следующей причиной может быть низкий заряд аккумулятора. Вы сможете понять это, взглянув на приборную панель, ‒ лампочки будут светиться тускло, а при попытке запустить двигатель ‒ выключаться. Затруднение может заключаться в проводе, слетевшем со своей клеммы.
Оживление «мертвеца» — а мертв ли он?
Первым признаком неисправности, который я заметил, являлся неработающий бензонасос. Именно его я и бросился оживлять в первую очередь, что оказалось не совсем верным решением. Если у вас сломался автомобиль (или любая другая техника), внимательно осмотрите проблему со всех сторон: может быть есть еще какие-то признаки поломки, ведь автомобиль является достаточно сложной системой агрегатов (которая, между прочим, имеет собственную встроенную диагностику). Если бы я напрямую кинул провод от аккумулятора до разъема бензонасоса (то есть подал на него питание 12 Вольт, исключив всех посредников электрической цепи), то однозначно убедился бы, что насос жив. Но… двигатель все равно не запустился бы! Потом, я бы проверил, есть ли искра на свечах зажигания, и сильно погрустнел, потому что ее там не было. Почитав форумы, можно ужаснуться, сколько некоторые люди с такой же проблемой потратили времени и денег на ее решение, меняя один автосервис на другой.
Замена предохранителей на Ланосе, Сенсе и Шансе
Если возникла неисправность защитного устройства, то его необходимо заменить. Первоначально стоит убедиться, что именно защитный элемент вышел из строя, а не реле или сам электроприбор. Проверить предохранитель можно мультиметром в режиме прозвонки. Для начала элемент следует извлечь из посадочного гнезда, после чего дотронуться щупами к контактам устройства. Отсутствие звукового сигнала прибора говорит о том, что элемент неисправен.
Замена предохранителя на авто осуществляется следующим образом:
Убедиться в том, что все электроприборы, за которые отвечает заменяемый защитный элемент, отключены
Установить на место неисправного защитного элемента исправный
При этом важно убедиться, чтобы устанавливаемый элемент соответствовал по току. Не нужно устанавливать в гнездо предохранители «какие есть в наличии»
Проверить работоспособность всех приборов, за которые отвечает установленный предохранитель

Перед тем, как установить новый защитный элемент в цепь, важно выяснить причину неисправности. Если причина заключается в коротком замыкании, но после установки нового предохранителя, его постигнет та же участь. Чаще причиной выхода из строя рассматриваемых устройств является повышенный ток в цепи за счет использования мощного оборудования
Чаще причиной выхода из строя рассматриваемых устройств является повышенный ток в цепи за счет использования мощного оборудования.
Это интересно! Для проверки реле на исправность, необходимо установить заведомо исправный элемент, и проверить работоспособность электрооборудования. Это самый надежный и быстрый способ проверки работоспособности реле на автомобиле.
https://youtube.com/watch?v=Kis_F1fsfPA%3F
В завершении стоит отметить, что знать назначение всех предохранителей не нужно, и в случае выхода из строя каких-либо электроприборов, всегда можно обратиться в электронный справочник «Ланосовода».
На бензонасос не подается напряжение
Бензонасос на Ланосе, особенно оригинальный — не дешевая деталь, по этому прежде чем приговаривать его, необходимо проверить цепи питания, идущие до него. Итак, предположение первое: насос жив и здоров, проблема в питании. Рассмотрим классическую очередность проверки бензонасоса на обрыв цепи питания.
Проверяем предохранитель бензонасоса — полезный совет
Начнем с того, где находится предохранитель топливного насоса EF16 и реле К9, коммутирующее цепь питания от аккумулятора до бензонасоса.
![]()
Сейчас я расскажу вам один совет, который касается всех предохранителей в целом, и который может в будущем сэкономить кучу нервов и денег. И вот мой совет — не верьте своим глазам! Если у вас есть запасной предохранитель, то лучше установите его, и вот почему: бывает так, что предохранитель не сгорает, а просто трескается, когда вы достаете предохранитель — визуально он целый и даже прозванивается, но когда вы вставляете его обратно, ножки раздвигаются в стороны и контакт пропадает! Если у вас есть мультиметр, то прозвонить предохранитель можно не вынимая его из колодки: по бокам от предохранителя есть доступ к клеммам
Следующий мой совет — обратить внимание на клеммы и пластик вокруг них — плохой контакт может быть именно между клеммой и ножкой предохранителя. В моем случае предохранитель оказался целым, следующим шагом нужно проверить реле бензонасоса
Как проверить реле бензонасоса
![]()
Что может случиться с реле в принципе, из-за чего оно перестанет коммутировать силовую цепь (от аккумулятора): могут обгореть контакты внутри реле из-за искрообразования, во-вторых: плохой контакт между клеммами и ножками реле и третье, что нужно будет проверить — уровень напряжения на управляющей цепи (напряжение, которое заставляет контакты реле притягиваться). На картинке выше показан принцип работы реле, на картинке ниже показаны номера контактов реле и электрическая схема.

Проще всего найти в блоке реле такое же, например, реле включения вентилятора радиатора и поменять местами, при этом предварительно осмотрев ножки реле и клеммы на предмет нагара, а также проверить, не расплавились ли посадочные места под клеммы. После того, как поменяете реле местами, разумеется, нужно будет проверить, заработал ли бензонасос, повернув ключ в замке зажигания. Если результат отрицательный, нужно померить мультиметром величину управляющего напряжения: вынуть реле бензонасоса, повернуть ключ в замке зажигания и проверить напряжение между клеммами 85 и 86. Такого типа автомобильные реле срабатывают при значении напряжения от 7 В.
Если нет мультиметра, можно поступить проще: вставить перемычку между силовыми клеммами 30 и 87, тем самым исключить присутствие реле в принципе. После этого сесть в салон и повернуть ключ в замке зажигания. В моем случае бензонасос не заработал… Тогда я приступил ко второму этапу проверки — к самому бензонасосу.
Порядок действий по проверке электрического реле
Выяснить причину остановки работы бензонасоса можно путем проверки цепей его включения, в которую входит реле. Оно представляет собой электрическое устройство, которое по команде электронного блока питания обеспечивает подачу питания к электродвигателю насоса, а при размыкании контактов прекращает такую подачу. Его неисправность зачастую связана с поломкой его катушки либо вследствие окисления или подгорания контактов, которые нужно будет почистить.
Реле бензонасоса Шевроле Ланос, где находится управляющая и управляемая часть (контактная группа), как и предохранители, расположено в монтажном блоке моторного отсека – в правом переднем углу.
Для проверки исправности реле К9 понадобятся такие приборы, как мультиметр или контрольная лампочка, пробник и кусок провода. Однако при неработающем бензонасосе, прежде всего, рекомендуется проверить исправность предохранителей F17 и F16, характерных для Шевроле Ланос. Как проверить реле бензонасоса – вопрос часто встречаемый, и ответ довольно прост ‒ нужно всего лишь воспользоваться одним из приведенных ниже способов.
- Сначала потребуется извлечь устройство из монтажного блока и заменить его исправным типом, например, реле К7 (для стеклоподъемников). Включение топливного насоса с альтернативным реле свидетельствует об неисправности реле. Если же он не включился – проверяем силовую и управляющею цепь электрического устройства.
- При отсутствии запасного исправного реле аналогичным выше способом проверить исправность устройства является установка между контактами 30 и 87 перемычки (куска провода, канцелярской скрепки), которая их при включенном зажигании замкнет.
- Определить, нужна ли замена устройства можно путем измерения напряжения между контактом 86 и «массой» (минусом). При включенном зажигании оно должно быть равно 12 В. Также проверяем напряжение между контактом 30 и «массой». Оно равно напряжению бортовой сети. Его отсутствие говорит об обрыве проводов между контактами и массой. В обратном случае надо осуществить подключение пробника между контактом 85 колодки жгута реле и клеммой плюса аккумулятора. Не загоревшаяся лампа пробника при включении зажигания свидетельствует о неисправности контролера или разрыве проводов. Загорание лампы говорит о необходимости замены электрического устройства.
- Также при помощи тестера в режиме омметра между контактом 85 и массой автомобиля можно измерить сопротивление, которое при исправной цепи должно быть 1 Ом.
Автолюбители, заинтересовавшиеся данной моделью, могут узнать, сколько стоит новый Шевроле Ланос на различных интернет-сайтах. Цена на новый седан варьируется от 250 тыс. руб. и выше в зависимости от комплектации: базовой S, средней SE и максимальной SX.
Вчера вечером мой Ланос не завелся. Выяснилось, что не включается бензонасос. Предохранители проверил — целы. Вытащил реле бензонасоса. Отдельно подключал к АКБ — щелкает, обмотка звонится не накоротко, сопротивление вроде 60 Ом. Хорошо в телефоне есть схема.


Просто кидаю проводок от контактной колодки до минуса АКБ, зажав его при «втыкании» реле контактами, и машинка завелась.Машинка-то завелась, но где потерялась «земля» от реле топливного насоса я не нашел(((Дома посмотрел схемы от Дэу Ланос. И что вижу. Реле топливного насоса подключается к ЭБУ по-другому. ЭБУ, по видимому, транзисторным ключом коммутирует его не на +12В, как в схеме выше, а на землю.

По этой схеме видно, что реле бензонасоса подключается через 8 контактный коннектор С101. На рисунке он справа в углу под капотом. Я этот С101 там не нашел.

Короче, коллеги, требуется ваша помощь. Где искать этот общий провод от реле бензонасоса, точнее его обрыв? И где разъем С101?Машина Евро-2, 2006г., ЗАЗ, ЭБУ KDAC
Принцип работы автомобильного предохранителя
Составными элементами автомобильных предохранителей являются такие элементы, как корпус и плавкая вставка. На автомобилях Шевроле и ДЭУ Ланос устанавливаются устройства флажкового или штекерного типа. Корпус таковых устройств изготавливается из пластика. Плавкая вставка находится внутри корпуса, который обязательно не должен быть герметичным. Из корпуса выступают два контакта (ножки), посредством которых деталь устанавливается в электрическую цепь определенного прибора.
Самый главный параметр предохранителя — это величина силы тока, на которую он рассчитан. Все устройства предназначаются для защиты электрической проводки от возгорания, а также предотвращение выхода из строя электроприборов. Если говорить простыми словами, то предохранитель уберегает электрооборудование от короткого замыкания и протекания большой силы тока. Большой ток может привести к возникновению оплавления, и последующему самовозгоранию проводки.

Плавкая вставка элемента рассчитана на определенную величину тока, что зависит от мощности токоприемника (электрооборудования). Как только ток в цепи превышает номинальное значение, на которое рассчитан предохранитель, то происходит перегорание плавкой вставки. В итоге цепь размыкается, и тем самым исключается оплавление изоляции проводов и выход из строя электроприборов.
После срабатывания предохранителя, он не подлежит ремонту, и должен быть заменен аналогичным по величине тока. Устанавливать его на место вышедшего из строя элемента следует только после того, как будет выявлена причина сработки устройства. Если при замене вышедшего из строя предохранителя установить устройство меньшей или большей силы тока, то это приведет к следующим ситуациям:
- Если ток ниже номинального, то устройство будет срабатывать при включении электроприборов
- Если ток будет выше номинального, то предохранитель не сработает, что повлечет за собой оплавление изоляции, а также выход из строя электроприбора
Номинал защитного элемента указывается на лицевой стороне изделия. Дополнительно производители выпускают устройства, которые различаются по цвету. Цвет соответствует силе тока, на которую рассчитано защитное устройство. Ниже представлена таблица, в которой указан номинал устройств в зависимости от цвета.

Использовать таблицу с цветами очень удобно, когда на предохранителе не видно его номинал. Если не знаете, какой номинал должен иметь защитный элемент в цепи с тем или иным электроприбором, то не стоит угадывать. Его можно рассчитать или воспользоваться информацией, представленной ниже.
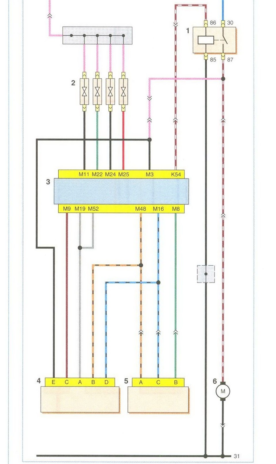
Проверка цепи включения топливного насоса Шевроле Ланос
Если при включении зажигания топливный насос не включается (его работу можно проконтролировать на слух) — возможна неисправность как самого топливного насоса, так и цепи его включения. Проверку цепи включения топливного насоса начинаем с оценки целостности предохранителя EF16 (15А), расположенного в монтажном блоке моторного отсека.
Неисправный предохранитель заменяем новым, предварительно проверив, нет ли замыкания правого (по ходу движения) вывода гнезда предохранителя на «массу». Неисправность в цепи включения топливного насоса может быть вызвана повреждением реле насоса К9 в монтажном блоке. Для проверки реле…
…извлекаем его из монтажного блока и заменяем заведомо исправным типа 906.3747-30. Для этой цели можно использовать реле К7 стеклоподъемников. Если с вновь установленным реле топливный насос включается, то реле топливного насоса вышло из строя и его необходимо заменить. В противном случае необходимо проверить силовую цепь и цепь управления реле топливного насоса. Для проверки цепи управления реле и силовой цепи топливного насоса вынимаем реле из монтажного блока.
Измеряем напряжение между гнездом «30» монтажного блока и «массой». Прибор должен зафиксировать напряжение, равное напряжению бортовой сети. Если это не так — неисправен монтажный блок. Также измеряем сопротивление между гнездом «85» монтажного блока и «массой». При исправной цепи «массы» прибор должен зафиксировать сопротивление менее 1 Ом. При включенном зажигании измеряем напряжение между гнездом «86» монтажного блока и «массой». Прибор должен зафиксировать напряжение около 12 В. Если этого не происходит — проверяем исправность цепи между гнездом «86» и выводом «К54» колодки жгута ЭБУ. Если цепь исправна — неисправен ЭБУ. Устанавливаем реле на место и отсоединяем колодку жгута проводов от топливного модуля (см. «Снятие и разборка топливного модуля Шевроле Ланос).
Измеряем напряжение между выводами провода коричневого цвета с белой полосой («+» питания насоса) и соседнего с ним «массового» провода черного цвета. При включении зажигания в течение 2 с прибор должен фиксировать напряжение, равное напряжению бортовой цепи. В противном случае проверяем исправность цепей между гнездом «87» монтажного блока и выводом провода коричневого цвета с белой полосой колодки жгута проводов топливного модуля, а также между «массой» и выводом провода черного цвета колодки жгута проводов топливного модуля.
Однажды, вернувшись из двухнедельного отпуска, я обнаружил, что мой Ланос не хочет заводиться! «Нуу ёёёёёёёёёёё моё!» — подумал я и, вооружившись мультиметром, ринулся решать проблему — тащить машину в сервис не видел смысла, да и хороших авто-электриков у нас найти сложно. Первое что я проверил — заряжен ли аккумулятор. Аккумулятор оказался заряжен и стартер отлично крутился, но никак не хотел запускать двигатель.
Проблема оказалась не так проста, как я думал, и заставила прилично потратить время на изучение автомобильных форумов. В моем случае мне отчасти повезло, т.к. Ланос сломался и сломался конкретно. Некоторых форумчан такая проблема настигала в дороге и имела периодический характер: то возникая, то исчезая. Если у вас случилсь такая же беда, то я постараюсь рассказать о возможных причинах такой поломки Ланоса, а некоторые советы по диагностике подойдут и для любого другого автомобиля.
Проверяем бензонасос напрямую
Изрядно помучившись, настало время помучиться еще больше.. Чтобы получить доступ к крышке бензонасоса, нужно «дернуть» задний диван: он крепится в двух местах к полу ( видно на фото сверху), примерно в тех местах и нужно дергать. Сняли диван — отковыриваем отверткой крышку и видим разъем бензонасоса (на фото сверху справа). Чтобы проверить непосредственно бензонасос, исключая все остальные элементы электропроводки автомобиля, нужно подать на бензонасос напряжение сразу с аккумуляторной батареи. Для этого нужно сперва найти, какие же контакты в разъеме С901 отвечают за питание бензонасоса.

На картинке сверху изображен коннектор (или как говорят в народе — фишка) бензонасоса (вид со стороны штырьков). Вынимать бензонасос из бензобака я не стал, просто использовал длинный провод, чтобы подцепить к АКБ. Бензонасос оказался жив!
Испытав некоторое недоумение в связи с полученной диагностической информацией (насос рабочий, предохранитель рабочий, реле рабочее — все очевидные участники цепи — рабочие!), я решил проверить тестером напряжение на второй половине разъема бензонасоса (С901), идущей из недр автомобиля. Напряжение на нем было! То есть, на бензонасос подавалось напряжение, бензонасос был рабочий, но не работал! Как же такое возможно, спросите вы?
Почему сложилась такая ситуация, и что такое переходное контактное сопротивление, я расскажу вам в следующей части моих приключений автолюбителя: Не заводится Ланос (Lanos 1.5) часть 2: не горит «Чек», не гудит бензонасос или «разъем С301»
В автомобилях Шевроле Ланос имеется три блока, в которых скомпонованы все предохранители и реле (штатные). Один блок реле и предохранителей Ланоса расположен в подкапотном пространстве. Второй блок (только предохранители) расположен в салоне автомобиля возле левой ноги водителя. Третий блок предохранителей находится в панели приборов (торпедо). Получить доступ к этому блоку можно, открыв левую заглушку панели приборов или сняв панель блока электрокорректора.
Ниже приведены схемы предохранителей и реле Ланоса. Стоит отметить, что фактическое назначение реле и предохранителей может отличаться на автомобилях разных годов выпуска. Вся информация, приведенная здесь, справедлива для Шевроле Ланос 2007г выпуска, Евро-2. Назначение предохранителей и реле в блоке подкапотного пространства может отличаться на автомобилях Дэу Ланос. Приведенные таблицы не стоит рассматривать как единственно верные.
Проверить автомобильное реле. Ланос, Сенс, Шанс, Чери, Acteco 1.5 SQR477
Проверить автомобильное реле. Ланос, Сенс, Шанс, Чери, Acteco 1.5 SQR477 Реле Российского производства .
- Сначала потребуется извлечь устройство из монтажного блока и заменить его исправным типом, например, реле К7 (для стеклоподъемников). Включение топливного насоса с альтернативным реле свидетельствует об неисправности реле. Если же он не включился – проверяем силовую и управляющею цепь электрического устройства.
- При отсутствии запасного исправного реле аналогичным выше способом проверить исправность устройства является установка между контактами 30 и 87 перемычки (куска провода, канцелярской скрепки), которая их при включенном зажигании замкнет.
- Определить, нужна ли замена устройства можно путем измерения напряжения между контактом 86 и «массой» (минусом). При включенном зажигании оно должно быть равно 12 В. Также проверяем напряжение между контактом 30 и «массой». Оно равно напряжению бортовой сети. Его отсутствие говорит об обрыве проводов между контактами и массой. В обратном случае надо осуществить подключение пробника между контактом 85 колодки жгута реле и клеммой плюса аккумулятора. Не загоревшаяся лампа пробника при включении зажигания свидетельствует о неисправности контролера или разрыве проводов. Загорание лампы говорит о необходимости замены электрического устройства.
- Также при помощи тестера в режиме омметра между контактом 85 и массой автомобиля можно измерить сопротивление, которое при исправной цепи должно быть 1 Ом.
Автолюбители, заинтересовавшиеся данной моделью, могут узнать, сколько стоит новый Шевроле Ланос на различных интернет-сайтах. Цена на новый седан варьируется от 250 тыс. руб. и выше в зависимости от комплектации: базовой S, средней SE и максимальной SX.





























