Сигнальная лампа моргает
Моргание индикатора АКБ, как правило, указывает на проблемы в щеточном узле, а также на возникновение КЗ выводов «Ш» и «-» регулятора напряжения. Щетки, в свою очередь, могут «зависать», не доставая до контактных колец ротора при малых и средних оборотах. Как их починить, вы уже читали в нашей инструкции. Однако причиной того, что пропала зарядка на Ниве 2121, 2131, 21214 и 4×4 Урбан, не всегда являются вышеупомянутые составляющие под капотного пространства. В частности, виновником слабой зарядки или ее полного отсутствия становится вовремя необслуженный аккумулятор с недостаточным объемом электролита или замкнутыми банками, незатянутые и окислившиеся клеммы, перебитые и оплавленные провода. Дополнительные трудности возникают при накоплении на подвесном оборудовании грязи, пыли, следов ГСМ и др.
Дополнительные схемы
Схема включения указателей поворота и аварийной сигнализации

1 — лампы указателей поворота в передних фонарях; 2 — боковые указатели поворота; 3 — выключатель зажигания; 4 — реле зажигания; 5 — блок предохранителей ВАЗ-21213; 6 — лампы указателей поворота в задних фонарях; 7 — контрольная пампа указателей поворота в комбинации приборов; 8 — реле- прерыватель указателей поворота и аварийной сигнализации; 9 — выключатель аварийной сигнализации; 10 — переключатель указателей поворота.
Схема включения наружного освещения

1 — лампы габаритного света в передних фонарях; 2 — блок предохранителей; 3 — переключатель наружного освещения; 4 — выключатель освещения приборов; 5 — контрольная лампа наружного освещения в комбинации приборов; 6 — фонари освещения номерного знака; 7 — лампы габаритного света в задних фонарях; А — к лампам освещения комбинации приборов, выключателей и табло подсветки ВАЗ-21213.
Схема соединений системы управления электромагнитным клапаном карбюратора

1 — выключатель зажигания ВАЗ-21213; 2 — реле зажигания; 3 — катушка зажигания; 4 — блок управления; 5 — электромагнитный клапан; 6 — концевой выключатель карбюратора.
Расшифровка блоков предохранителей ВАЗ 21213, 21214 (Нива)
| Номер | Номинальный ток, A | Назначение предохранителя |
|
Блок предохранителей находится в салоне под панелью управления с левой стороны. |
||
| Блок предохранителей расположенных под панелью управления (основной блок) | ||
| 1 | 16 | Вентилятор отопителя — электродвигатель Очиститель фар и электродвигатель очистителя фар при всех положениях щеток, за исключением исходного Обогрев заднего стекла — реле включения (обмотка) Очиститель и омыватель заднего стекла Омыватель ветрового стекла |
| 2 | 8 | Указатель поворота, реле прерыватель указателя поворота и аварийной сигнализации — режим указателя поворота Фонари заднего хода Очиститель ветрового стекла (моторедуктор и реле) Генератор — обмотка возбуждения Контрольные лампы: уровень тормозной жидкости, давление масла, воздушная заслонка карбюратора, стояночный тормоз Указатель температуры охлаждающей жидкости Указатель уровня топлива, контрольная лампа резерва Вольтметр |
| 3 | 8 | Дальний свет — левая фара, контрольная лампа панели управления |
| 4 | 8 | Дальний свет — правая фара |
| 5 | 8 | Ближний свет — левая фара |
| 6 | 8 | Ближний свет — правая фара |
| 7 | 8 | Габаритные огни: левый передний и правый задний, контрольная лампа панели приборов
Освещение номерного знака |
| 8 | 8 | Габаритные огни: правый передний и левый задний Подсветка: панель приборов, прикуриватель, выключатели и переключатели салона |
| 9 | 16 | Указатель поворотов и реле прерыватель аварийной сигнализации Контрольная лампа аварийной сигнализации Обогрев заднего стекла: нагревающий элемент и реле включения (контакты) |
| 10 | 16 | Звуковой сигнал Штепсельная розетка Освещение салона Стоп-сигнал — задние фонари |
| 12 (13) | 8 | Противотуманные фонари — задние Очиститель фар — электродвигатель: момент пуска, момент прохождения щеток исходного положения |
| 16 (15) | 16 | Прикуриватель |
| Для ВАЗ-21214 предохранители системы впрыска находятся в отдельном блоке с левой стороны под панелью приборов. | ||
| 1 | 30 | Вентиляторы охлаждения |
| 2 | 15 | Электробензонасос |
| 3 | 15 | Блок управления |
| 4 | 15 | Главное реле системы впрыска |
www.avtocar.su
Лада Нива/ ВАЗ-21214 руководство по эксплуатации, техобслуживанию и ремонту
Выпускавшийся с 1977 г. автомобиль повышенной проходимости ВАЗ-2121 «Нива» после модернизации в 1994 г. получил обозначение ВАЗ-21213, ВАЗ-21214 «Лада Нива 4Х4». В 2009 году в Тольятти провели очередную модернизацию, после которой автомобиль стал называться: ВАЗ-21214 «LADA 4Х4». В процессе модернизации в автомобиле появилось 250 новых узлов и деталей.
Внешне обновленный: автомобиль отличается новыми передними фонарями с секциями габаритного огня и указателей поворота и увеличенными наружными зеркалами заднего вида. В салоне появились новая комбинация приборов и две контрольные лампы (блокировки дифференциала и обогрева стекла двери багажного отделения) на панели приборов.
Серьезные изменения: коснулись конструкции основных агрегатов.
Двигатель модели 21214 рабочим объемом 1,7 л получил систему распределенного фазированного впрыска топлива, а также систему снижения токсичности отработавших газов с каталитическим нейтрализатором и систему улавливания паров топлива, обеспечивающие соответствие экологическим нормам Евро-3. Двигатель рассчитан на применение бензина с октановым числом не ниже 95. Использование механизма сцепления производства фирмы Valeo от автомобиля Chevrolet Niva позволило снизить усилие на педали сцепления. Также устанавливается привод сцепления: от автомобиля Chevrolet Niva.
При сборке раздаточной коробки исключены картонные прокладки, вместо них используют силиконовый герметик.
В системе вентиляции картера раздаточной коробки сапун заменен на открытую трубку, что исключило возможность возникновения избыточного давления в картере коробки.
В тормозной системе установлены новые вакуумный усилитель и алюминиевый главный тормозной цилиндр, унифицированные с аналогичными узлами автомобиля Лада Калина, в результате удалось снизить усилие на педали тормоза.
На автомобиль стали устанавливать рулевое управление с гидроусилителем. В передней подвеске появились новые нижние рычаги с сайлент-блоками увеличенной размерности и поворотные кулаки: от автомобиля Chevrolet Niva.
Увеличили:диаметр оси нижнего рычага и установили новые шаровые опоры с кованым корпусом.
| № | Спецификация / Specs | Данные |
| Габариты (мм/mm) и масса (кг/kg) / Dimensions and Weight | ||
| 1 | Длина / Length | 3740 |
| 2 | Ширина (без/с зеркалами) / Width | 1680/1814 |
| 3 | Высота (загружен/пустой) / Height | 1640 |
| 4 | Колёсная база / Wheelbase | 2200 |
| 5 | Дорожный просвет (клиренс) / Ground clearance | 221 |
| 6 | Снаряжённая масса / Total (curb) weight | 1210 |
| Полная масса / Gross (max.) weight | 1610 | |
| Двигатель / Engine | ||
| 7 | Тип / Engine Type, Code | Бензиновый, жидкостного охлаждения, четырехтактный, 21214 |
| 8 | Количество цилиндров / Cylinder arrangement: Total number of cylinders, of valves | 4-цилиндровый, рядный, 8V, SOHC с верхним расположением одного распредвала |
| 9 | Диаметр цилиндра / Bore | 82.0 мм |
| 10 | Ход поршня / Stroke | 80.0 мм |
| 11 | Объём / Engine displacement | 1690 см³ |
| 12 | Система питания / Fuel supply, Aspiration | Распределенный впрыск топлива |
| Атмосферный | ||
| 13 | Степень сжатия / Compression ratio | 9.3:1 |
| 14 | Максимальная мощность / Max. output power kW (HP) at rpm | 59.5 кВт (80.9 л.с.) при 5000 об/мин |
| 15 | Максимальный крутящий момент / Max. torque N·m at rpm | 127.5 Нм при 4000 об/мин |
| Трансмиссия / Transmission | ||
| 16 | Сцепление / Clutch type | Однодисковое, сухое, с диафрагменной нажимной пружиной и гасителем крутильных колебаний, постоянно замкнутого типа |
| 17 | КПП / Transmission type | МКПП 5 пятиступенчатая механическая, двухвальная, с синхронизаторами на всех передачах переднего хода, с двухступенчатой раздаткой и блокировкой межосевого дифференциала |
- Название: ВАЗ-21214 Нива устройство, обслуживание, диагностика, ремонт
- Бензиновые двигатели: 21214 1.7 л (1690 см³) 80.9 л.с./59.5 кВт
- Выпуск с 2009 года
- Серия: «Своими силами»
- Год издания: 2012
схема, расположение и способы замены
Электропредохранители на авто меняются в случае их перегорания, в обязательном порядке соблюдая их номинал. Но на автомобиле ВАЗ 2121 Нива случаются и другие ситуации. К примеру, многие автомобилисты жалуются, что иногда электропредохранители просто выпадают из колодки. Именно поэтому рекомендуется сменить старый блок на новый, в котором предохраняющие элементы держатся намного лучше.

Ваз 2121 — Нива
Расположение
Предохранители в ВАЗ 2121 Нива находятся в салоне транспортного средства и закрыты специальным кожухом. Это достаточно удобное место для того, чтобы в любой момент произвести замену перегоревшего и при этом обойтись можно самыми обычными инструментами
Особенно это важно зимой или когда идет дождь, нет необходимости выходить на улицу, если поломка приключилась в пути

Схема расположения защитных элементов Таблица с расшифровкой схемы
Расшифрока схемы
Процесс снятия и замены
Для того чтобы заменить перегоревший электропредохранитель не нужны особые знания и навыки. Все очень просто.
Необходимые инструменты
Для работы нам понадобятся самые обычные инструменты, которые всегда есть под рукой у любого водителя, а именно:
- набор новых электропредохранителей;
- набор ключей;
- отвертка.
Набор ключей, который должен быть у каждого автолюбителя
Этапы
Перед началом работ по замене нужно отсоединить минусовый провод аккумулятора.
Далее при помощи отвертки откручиваем винты, которыми закреплен кожух и убираем его.
Смотрим по схеме, где находится перегоревший предохранитель.
Находим его в колодке и извлекаем.
Берем такой же по номиналу и устанавливаем на место извлеченного.
Внимание! На обратной стороне блока находится электропредохранитель электровентилятора его номинал 30 А, его корпус окрашен в зеленый цвет. Прочие элементы имеют номинал 15 А и они синего цвета.
Если не планируем менять колодку, то на этом работа закончена и нам остается только установить на место кожух и закрепить его винтами.
Но если вы решили привести систему с предохранителями в порядок и заменить старую колодку новой, то нам нужно при помощи торцовой головкой на 8 открутить пару гаек, которыми крепится колодка.
Теперь снимаем непосредственно сам блок.
Отсоединяем колодочку с проводами.
Меняем блок.
Устанавливаем в него предохранители.
Закрепляем его гайками.
Возвращаем на место кожух и закручиваем винты.
На этом работа с электропредохранителями на автомобиле ВАЗ 2121 Нива закончена.. Никогда не пользуйтесь самодельными перемычками либо электропредохранителя иного номинала вместо перегоревшего
Никогда не пользуйтесь самодельными перемычками либо электропредохранителя иного номинала вместо перегоревшего.
В этом видео на примере вазовской шестерки показаны некоторые причины замены блока. Как видите, во время экспуатации корпус деформировался, заметны подплавления.
Как видео все очень просто по времени такая работа займет не более получаса, вместо двух-трех часов стояния на станции технического обслуживания и траты лишних денег.
Загрузка …
avtozam.com
Параметры выбора

Отечественные внедорожники оснащаются не только внешним головным светом, но и освещением салона. Благодаря оптике автолюбитель может не только осветить дорожное покрытие при движении, но и предупредить других водителей о возможных маневрах, которые он хочет совершить.
В зависимости от типа оптики, в фонарях могут использоваться разные виды источников света, при выборе следует определиться, какой тип ламп будет применяться:
- Стандартный вариант — лампочки накаливания либо галогенки. В настоящее время такие источники освещения являются одними из наиболее распространенных среди наших автолюбителей. Использоваться такие лампы могут как для обеспечения ближнего, так и дальнего света.
- Газоразрядные лампы или ксенон. Такой вариант считается одним из самых современных, он также может применяться как для ближнего, так и для дальнего света. Использование ксенона допускается в оптике, которая предназначена для этого.
- Светодиодные лампы. Этот вариант в последнее время только набирает популярность. Основное преимущество диодных источников света заключается в низком энергопотреблении, а также высоком ресурсе эксплуатации. Тем более, что при относительно невысоком потреблении энергии диоды позволяют обеспечить не менее качественное освещение, чем ксенон, и более эффективное, чем галогенные лампы. Если сравнивать с галогенками и лампочками накаливания, то эффективность диодов выше на 300%, также значительно выше плотность заливки. Диодные лампы или лента могут быть установлены также в противотуманные фары, а также задние стоп-сигналы и габаритные огни. Зачастую диоды устанавливаются в хрустальные фонари.

В целом вариантов выбора оптики для владельца Нива 21213 4х4 достаточно много. На усмотрение потребителя предлагаются тюнингованные танковые или хрустальные фары, так что в выборе вы ограничены не будете. Для нивоводов, судя по отзывам, одним из наиболее оптимальных вариантов будет покупка фонарей Wesem — такие фары без проблем ставятся вместо штатных, все крепления и разъемы для этого подходят. Этот же бренд занимается выпуском и противотуманных фонарей, которые, если верить отзывам потребителей, характеризуются довольно четким освещением, причем как верхней, так и нижней границ.
На что следует обратить внимание при покупке фонарей:
Для начала нужно определиться со своими финансовыми возможностями
В соответствии с бюджетом вы будет подбирать варианты, которые сможете себе позволить.
При покупке обратите внимание на выполнение корпуса — сам корпус оптики должен быть максимально герметичным, в противном случае вы можете столкнуться с проблемой запотевания фар. Внимательно осмотрите часть соприкосновения стекла с самим корпусом — зазоры, пусть даже небольшие, не допускаются.
Проверьте все крепления и технологические отверстия — это нужно для того, чтобы новая оптика могла быть установлена вместо штатной без переделок.
Осмотрите само стекло — оно должно быть наиболее прочным и целом, никакие повреждения не допускаются
Кроме того, если речь идет о противотуманных фарах, то убедитесь в том, что в фонарях установлено именно стекло, а не пластик. На практике пластмасса повреждается значительно чаще, этот материал менее надежный, в отличие от стекла (автор видео — Владимир Кучер).
https://youtube.com/watch?v=9ToqkcKrY4Q
Предохранители Нива 2121
При выходе из строя любого оборудования в автомобиле Нива 2121, в первую очередь, стоит произвести проверку целостности предохранительного блока. Эта процедура является не сложной, сделать её сможет даже неискушенный автолюбитель, поэтому нет необходимости при первой же подобной ситуации отправляться на СТО.

Заменить блок будет недешево, а для того, чтобы сделать это самому, достаточно просто найти его расположение. Автомобилисты часто замечают, что предохранители иногда выпадают из креплений. В этом случае следует поменять вышедшую из строя или ненадежную панель на новую, в которой эти элементы установлены более надежным образом. Для удобства водителей производители Нивы расположили предохранители в легкодоступном месте.

Основные электрические схемы Нивы 21214
Передний жгут проводов

- правый передний фонарь;
- правый боковой указатель поворота;
- колодка соединения со жгутом проводов правого фонаря и бокового указателя поворотов;
- правая фара;
- колодка соединения со жгутом проводов правой фары;
- стартер;
- аккумулятор;
- генератор;
- левая фара;
- соединение со жгутом проводов левой фары;
- левый передний подфарник;
- левый боковой указатель поворота;
- соединение со жгутом проводов правого переднего фонаря;
- звуковой сигнал;
- датчик температуры наружного воздуха;
- очиститель ветрового стекла;
- датчик температуры охлаждающей жидкости для комбинации приборов;
- датчик контрольной лампы аварийного давления масла;
- омыватель ветрового стекла;
- датчик контрольной лампы уровня тормозной жидкости;
- реле блокировки стартера;
- соединение со жгутом панели приборов
ЭСУД

- клапан продувки адсорбера;
- дроссельный узел
- датчик температуры охлаждающей жидкости
- правый вентилятор системы охлаждения;
- левый вентилятор системы охлаждения;
- катушка зажигания;
- свечи зажигания;
- датчик массового расхода воздуха;
- датчик положения коленчатого вала;
- колодка соединения со жгутом проводов управляющего датчика концентрации кислорода;
- управляющий датчик концентрации кислорода;
- датчик фаз;
- датчик детонации;
- колодка соединения со жгутом проводов форсунок;
- форсунки;
- педаль е-газа;
- колодка соединения со жгутом проводов панели приборов;
- главное реле;
- реле правого вентилятора системы охлаждения;
- реле левого вентилятора системы охлаждения;
- реле топливного насоса;
- предохранитель топливного насоса;
- колодка соединения с задним жгутом проводов (к топливному модулю);
- диагностическая колодка;
- масса в салоне автомобиля;
- блок предохранителей ЭСУД;
- колодка соединения зеленого цвета со жгутом проводов индикатора состояния АПС (светодиод);
- колодка соединения черного цвета со жгутом проводов индикатора состояния АПС (катушка связи);
- блок управления автомобильной противоугонной системы (АПС);
- колодка соединения со жгутом проводов диагностического датчика концентрации кислорода;
- диагностический датчик концентрации кислорода;
- электронный блок управления двигателем (контроллер)
Схема соединения панели приборов

- соединение с передним жгутом проводов;
- соединение со жгутом проводов системы управления двигателем;
- выключатель аварийной сигнализации;
- выключатель наружного освещения;
- реле поворотов;
- реле включения противотуманных ламп в задних фонарях;
- комбинация приборов;
- переключатель очистителя и омывателя стекла двери багажного отделения;
- переключатель отопителя;
- трех рычажный подрулевой переключатель;
- выключатель зажигания;
- датчик положения педали тормоза и выключатель сигналов торможения;
- датчик положения педали сцепления;
- реле обогрева стекла двери багажного отделения;
- реле дальнего света;
- реле ближнего света;
- реле зажигания;
- выключатель обогрева стекла двери багажного отделения;
- выключатель заднего противотуманного света;
- реле стеклоочистителя ветрового стекла;
- лампы подсветки блока управления отопления и вентиляции;
- выключатель света заднего хода;
- датчик включения блокировки дифференциала;
- дополнительный блок предохранителей;
- основной блок предохранителей;
- выключатель контрольной лампы стояночного тормоза;
- датчик скорости автомобиля;
- вентилятор отопителя;
- дополнительный резистор отопителя;
- прикуриватель;
- блок контрольных ламп;
- индикатор включения обогрева стекла двери багажного отделения;
- индикатор включения блокировки дифференциала;
- регулятор освещения приборов;
- соединение с задним жгутом проводов;
- подключение к аудиосистеме
Задний жгут проводов

- соединение со жгутом проводов системы управления двигателем;
- соединение со жгутом проводов панели приборов;
- правый плафон освещения салона;
- концевой выключатель правой двери;
- топливный модуль;
- концевой выключатель левой двери;
- левый плафон освещения салона;
- очиститель стекла двери багажного отделения;
- соединение со жгутом проводов очиститель стекла двери багажного отделения;
- фонари освещения номерного знака;
- элемент обогрева стекла двери багажного отделения;
- омыватель стекла двери багажного отделения;
- задний правый фонарь;
- дополнительный сигнал торможения;
- задний левый фонарь
Устройство отопителя

1 – боковой дефлектор; 2 – боковой воздуховод; 3 – воздуховод обогрева лобового стекла; 4 – центральные дефлекторы; 5 – тросик заслонки воздуховода; 6 – заслонка воздуховода; 7 – радиатор печки; 8 – уплотнитель радиатора; 9 – кожух радиатора; 10 – отводящий патрубок радиатора; 11 – подводящий патрубок радиатора; 12 – кран печки; 13 – воздухораспределительная крышка; 14 – кожух электровентилятора; 15 – крыльчатка вентилятора; 16 – электродвигатель вентилятора; 17 – тросик крана печки; 18 – тросик заслонки обогрева лобового стекла; 19 – кронштейн рычагов управления отопителем; 20 – ручаг управления заслонкой воздуховода; 21 – рычаг управления заслонкой обогрева лобового стекла; 22 – рычаг для управления краном печки.
Панель Приборов Ваз 21214
Не допускайте работу двигателя в красной зоне, а также работу двигателя с частотой менее 800 мин-1 при трогании и движении.
Рис. 14. Комбинация приборов
3 — контрольная лампа включения указателей поворота по левому борту. Загорается зеленым мигающим светом при включении левого поворота.
4 — контрольная лампа включения указателей поворота по правому борту. Загорается зеленым мигающим светом при включении правого поворота.
5 — спидометр.
6 — указатель уровня топлива.
8 — контрольная лампа включения габаритного света. Загорается зеленым светом при включении наружного освещения.
9 — контрольная лампа аварийного состояния рабочей тормозной системы. Загорается красным светом при понижении уровня жидкости в бачке гидропривода тормозов ниже метки «MIN».
ВНИМАНИЕ!
При загорании контрольной лампы движение запрещено до устранения причин снижения уровня жидкости.
10 — контрольная лампа включения дальнего света фар.
Загорается синим светом при включении дальнего света фар.
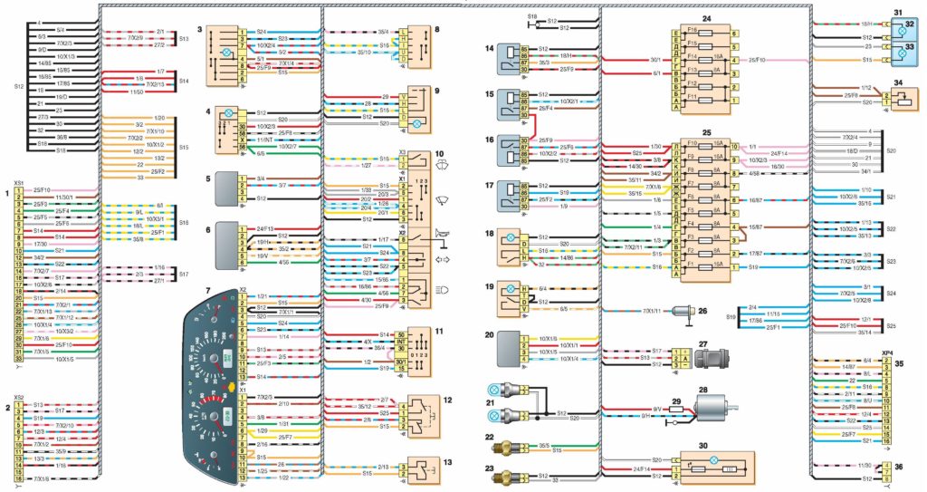
Электросхема ВАЗ–21213
1 — передние фонари; 2 – боковые указатели поворота; 3 — электродвигатель омывателя ветрового стекла; 4 — электродвигатель омывателя фар*; 5 — коммутатор; 6 – Аккумулятор; 7 — стартер; 8 – генератор; 9 — фары; 10 – моторедукторы очистителей фар*; 11 – звуковой сигнал; 12 – свечи зажигания; 13 — концевой выключатель карбюратора; 14 — электромагнитный клапан карбюратора; 15 — катушка зажигания; 16 — моторедуктор очистителя ветрового стекла; 17 – блок управления электромагнитным клапаном карбюратора; 18 — датчик-распределитель зажигания; 19 – датчик указателя температуры охлаждающей жидкости; 20 – датчик контрольной лампы давления масла; 21 – штепсельная розетка для переносной лампы**; 22 – датчик контрольной лампы уровня тормозной жидкости; 23 – реле-прерыватель очистителя ветрового стекла; 24 – реле включения заднего противотуманного света***; 25 – реле включения обогрева заднего стекла; 26 – реле включения очистителей и омывателя фар*; 27 – реле включения ближнего света фар; 28 — реле включения дальнего света фар; 29 — реле зажигания; 30 – реле включения стартера; 31 — реле-прерыватель аварийной сигнализации и указателей поворота; 32 — электродвигатель отопителя;
33 – добавочный резистор электродвигателя отопителя; 34 – лампы подсветки рычагов управления отопителем; 35 – выключатель наружного освещения; 36 – основной блок предохранителей; 37 – дополнительный блок предохранителей; 38 – выключатель света заднего хода; 39 – выключатель стоп-сигнала; 40 – регулятор освещения приборов; 41 – выключатель зажигания; 42 – трехрычажный переключатель; 43 – выключатель аварийной сигнализации; 44 – переключатель очистителя и омывателя стекла двери задка*; 45 – переключатель электродвигателя отопителя; 46 – выключатель обогрева стекла двери задка; 47 – выключатель заднего противотуманного света; 48 – выключатели плафонов, расположенные в стойках дверей; 49 – плафоны освещения салона; 50 – прикуриватель; 51 – выключатель контрольной лампы прикрытия воздушной заслонки карбюратора; 52 – контрольная лампа прикрытия воздушной заслонки карбюратора; 53 – выключатель контрольной лампы блокировки дифференциала; 54 – выключатель контрольной лампы стояночного тормоза; 55 – датчик указателя уровня и резерва топлива; 56 – комбинация приборов; 57 – электродвигатель омывателя стекла двери задка; 58 – задние фонари; 59 – колодка для подключения дополнительных стоп-сигналов; 60 – колодки для подключения боковых указателей габарита; 61 – колодки для подключения к элементу обогрева стекла двери задка; 62 – фонари освещения номерного знака; 63 – моторедуктор очистителя стекла двери задка.
Порядок условной нумерации штекеров в колодках:
а – очистителей ветрового стекла, фар и стекла двери задка, реле-прерывателя очистителя ветрового стекла; б — датчика-распределителя зажигания; в – реле-прерывателя аварийной сигнализации и указателей поворота; г — коммутатора; д — трехрычажного переключателя; е — выключателя аварийной сигнализации; ж – реле включения заднего противотуманного света; з — задних фонарей (нумерация выводов по порядку сверху вниз); и – комбинации приборов.
В жгуте проводов панели приборов вторые концы белых проводов сведены в одну точку, которая соединена с регулятором освещения приборов. Вторые концы черных проводов также сведены в точку, соединенную с массой. Вторые концы желтых проводов с голубой полоской сведены в точку, соединенную с выводом «А» основного блока предохранителей. И вторые концы оранжевых проводов тоже сведены в точку, соединенную с выводом «Б» основного блока предохранителей.
* Устанавливаются на части выпускаемых автомобилей; ** с 2000 г. не устанавливается; *** устанавливается с 2001 г. Раньше задний противотуманный свет включался напрямую выключателем 47, питание к которому подавалось от предохранителя 3 дополнительного блока предохранителей.
Вопросы и ответы
В чем причина заводится и сразу глохнет Лада Калина
Читать далее
Вопросы и ответы
Как вытянуть вмятину на машине своими руками
Читать далее
Вопросы и ответы
Как выставить зажигание на ВАЗ 2107 карбюратор
Читать далее
Вопросы и ответы
Интервал замены свечей зажигания
Читать далее
Вопросы и ответы
Интервал замены масла в двигателе
Читать далее
Вопросы и ответы
Зазор на свечах зажигания
Читать далее
Вопросы и ответы
Жидкость для чистки карбюратора
Читать далее
Вопросы и ответы
Жидкость для раскоксовки поршневых колец
Читать далее
Вопросы и ответы
Глохнет при включении ВАЗ 2109 карбюратор
Читать далее
Отличная статья 0
Где Находится Реле Включения Стартера Ваз 21213
ВАЗ 21214, реле 21214 и предохранители (инжектор Нива 4х4)
В современных внедорожниках «АвтоВАЗ» используются инжекторные силовые агрегаты. В случае неисправности автомобиля сначала проверьте предохранители и реле. Затем мы покажем, где расположен монтажный блок (блок предохранителей или черный ящик), и расположение элементов внутри него.
Расположение предохранителей и реле Niva 4×4
Основная часть предохранителей находится в кабине Niva под панелью слева от рулевой колонки. Всего 4 блока:
1. блок предохранителей системы управления двигателем; 2. реле стеклоочистителя; 3. предохранители; 4. релейный блок системы управления двигателем.
Четвертый релейный блок расположен над педалью газа.
Главный и дополнительный блоки предохранителей
Эти два блока взаимосвязаны. В верхнем блоке и в нижнем — 10 предохранителей. 6. Обозначение слева направо:
Тепловентилятор, стеклоочиститель заднего стекла, стеклоомыватель и омыватель заднего стекла, насос омывателя ветрового стекла
Сабвуфер, стеклоочистители, сигнализация, кофемолка (в режиме указателя поворота), задний фонарь, набор приборов(Датчик температуры охлаждающей жидкости, указатель уровня топлива, тахометр, индикаторы: указатели поворота, блокировка дифференциала, стояночный тормоз, система экстренного торможения, недостаточное давление масла, подача топлива, заряд аккумулятора)
Левая фара (ближний свет), сигнальная лампа
Правая фара (ближний свет)
Левая фара (ближний свет)
Правая фара (ближний свет)
Боковые фары слева спереди и слева сзадифары, подсветка номерного знака, управлениеколба
Индикация фонарей на правом и правом задних фонарях, подсветка комбинации приборов,прикуриватель, выключатели, блок управления отоплениеми вентиляция
Аварийный выключатель, выключатель реле(в аварийном режиме), контакты релебагажное отделение багажное стекло
Рог, внутреннее освещение, лампызадние фонари
Задние противотуманные фонари на задних фонарях
Дополнительные плавкие вставки в городской конфигурации:
№ и номинальный предохранитель
Электро стекло передних дверей Электро зеркала
Нива 21214 не заводится
кукурузное поле не запускается, как начать стартер прямо от батареи.
Вентилятор кондиционера, компрессор кондиционера
Обогрев боковых зеркал
Центральное освещение люстра
Вентилятор кондиционера, компрессор кондиционера
Предохранители управления двигателем
Он расположен с левой стороны корпуса, под приборной панелью, рядом с диагностической консолью. Состоит из четырех предохранителей:
Реле управления двигателем
Под главным и вспомогательным предохранителями установлен блок управления реле двигателя, состоящий из пяти реле и одного предохранителя:
В некоторых версиях автомобиля, под вспомогательным блоком, реле стартера может быть расположено рядом с реле зажигания.
Крепежные блоки для Lada 4×4 2018 Edition
Основные и дополнительные блоки расположены в пассажирском салоне слева от руля под приборной панелью. Блоки содержат предохранители цилиндрического типа, соответственно десять и шесть предохранителей. Номинальные значения и назначение предохранителей приведены в таблице 4 «Комбинированная схема»:
Блок предохранителей стандартного размера. Устройство расположено слева под капотом и содержит предохранители, предназначенные для защиты устройств системы управления двигателем. Номера и обозначения предохранителей приведены в таблице 5:
Блок предохранителей и реле расположены с левой стороны рулевой колонки под приборной панелью. Устройство содержит два стандартных предохранителя, предназначенных для защиты цепей электрического вентилятора, электростеклоподъемников и электрорегулировки зеркал. Номера и обозначения предохранителей приведены в таблице 6:
Блок предохранителей и реле расположены с правой стороны рулевой колонки под приборной панелью. Устройство содержит один предохранитель размера Maxi и два предохранителя стандартного размера, предназначенные для защиты гидравлических цепей антиблокировочной системы. Номера и назначение предохранителей приведены в таблице 7:
Предупреждение! Конструкция реле и предохранителя может отличаться в зависимости от даты изготовления оборудования и транспортного средства. Текущие схемы сборочных единиц приведены в инструкции до даты изготовления автомобиля (скачать с сайта в формате 3d или 5dv.).
Почему предохранитель или свет, или что-то еще? Прежде чем заменить его на аналогичный, вы должны сначала найти и устранить причину его выгорания. Это может быть короткое замыкание, неправильный номинальный ток и т. Д. Используйте схемы устранения неполадок. Вопросы по этой теме можно задать на форуме.































