2 Краткое описание агрегата Gysmi 161
Данный аппарат дает возможность осуществлять на постоянном токе ручную дуговую сварку. Gysmi 161 работает со сварочными стержнями сечением 1,6–4 миллиметра. Агрегат отличается устойчивостью функционирования при скачках напряжения, малым потреблением электрической энергии, компактными габаритами. Эти факторы и обусловили популярность Gysmi 161.

В конструкции инвертора имеется специальный механизм с встроенным вентилятором, предохраняющий агрегат от тепловых перегрузок. Особой востребованностью он пользуется у неопытных сварщиков, которые испытывают трудности при эксплуатации других сварочных установок. С Gysmi 161 вы не будете знать проблем с зажиганием дуги и прилипанием стержней для сварки, так как инвертор имеет функции «HOT START» и «ANTISTICKING».

Схемы других моделей
Как ранее было отмечено, практически все инверторы работают по схожему принципу, и создаваемые схемы могут отличаться несущественно. Все сварочные аппараты делятся на несколько основных групп:
- Для проведения электродуговой сварки при применении покрытых специальным составом электродов применяется оборудование типа ММА. Подобная схема характеризуется высокой эффективность, а конструкция имеет небольшой вес.
 - Для применения тугоплавких электродов применяется сварочное оборудование типа ММА+TIG. Они могут работать в среде инертных газов.
 - На производственных линиях встречаются агрегаты с полуавтоматической подачей прутка. В этом случае работа, как правило, проводится в среде инертных газов или в специальных ванночках.
 - При кузнечном или прочем ремонте используется точечная сварка.
 
Модель ARC 160, схема которой довольно сложна, может применяться для проведения самых различных работ. В отличии от arc 140, схема новой модели лишена основных недостатков.
Сварочный инвертор ТОРУС 250
Вариант исполнения торус 250 состоит из следующих элементов:
- Генератора тактового типа, построенного на микросхеме TL Стоит учитывать, что схема мощного инвертора не предусматривает использование ШИМ, но в микросхеме есть два компаратора с датчиками тепловой защиты.
 - Система защиты и регулировочный модуль выполнены на основе LM Датчик, определяющий параметры тока, помещен на ферритовом кольце с обмоткой.
 - В схему включается также два выходных драйвера, построенные на IR
 
Ремонт Торус 250 следует проводить с открытия конструкции и визуального осмотра основных элементов. В рассматриваемом случае они следующие:
- Выпрямитель выходного типа представлен отдельной платой, на которой размещается два радиатора. Они служат в качестве основания для размещения диодных сборок. Также в модуль входит один трансформатор и дроссель. Количество элементов в выходном выпрямителе во многом зависит от конкретной сборки.
 - Модуль ключей представлен четырьмя транзисторами в каждой из четырех групп. Для того чтобы снизить степень нагрева все они размещаются на отдельных радиаторах, которые изолированы специальными прокладками.
 - В качестве выходного выпрямителя используется мощный диодный мост. В рассматриваемом случае он расположен в нижней части конструкции. На этой модели устанавливается крайне надежный и практичный мост, который сложно спалить при исправной работе системы охлаждения.
 - Микросхема управления является основным элементом конструкции. Как правило, от правильности его работы зависит долговечность всего аппарата. Самостоятельно проверить блок можно только при наличии специального осциллографа и соответствующих навыков работы с ним.
 - Корпус с вентилятором системы охлаждения. Как правило, охлаждающий блок выходит из строя только в случае механического воздействия.
 
Читать также: Инструмент для снятия изоляции с проводов стриппер
Сварочный инвертор САИ 200, схема которого не существенно отличается от аппаратов схожего типа, применяется для ручной дуговой сварки и наплавки при применении штучных электродов. RDMMA 200 относится к оборудованию нового типа, которое создается без применения трансформаторов. За счет этого возможна более точная и плавная регулировка показателей тока, при работе не появляется сильного шума.
В заключение отметим, что вышеприведенная информация определяет сложность конструкции сварочных инверторов. При этом производители не распространяют подробные схемы устройств, что усложняет обслуживание и ремонт. Несмотря на применение схожей схемы при создании практически всех инверторов, они существенно отличаются друг от друга. Именно поэтому перед проведением каких-либо работ нужно подробно ознакомиться с конструктивными особенностями устройства.
Если вы нашли ошибку, пожалуйста, выделите фрагмент текста и нажмите Ctrl+Enter.
Характеристики большинства бюджетных инверторов нельзя назвать выдающимися, в то же время мало кто откажется от удовольствия использовать оборудование со значительным запасом надёжности. Между тем существует немало способов усовершенствовать недорогой сварочный инвертор.
Распространенные неисправности, которые можно устранить своими руками
Рассмотрим некоторые наиболее часто встречающиеся неисправности сварочных инверторов:
Чтобы выявить и устранить причину неисправности, корпус аппарата вскрывают и производят визуальный осмотр его содержимого.
- Сварочная дуга горит неустойчиво или электрод сильно разбрызгивает материал. Причина этого может крыться в неправильном выборе тока. Сила тока должна соответствовать типу и диаметру электрода и скорости сварочного процесса. Если сила тока не указана на упаковке электродов, то можно начинать подачу тока с 20-40 А на каждый миллиметр диаметра электрода. При снижении скорости сварки силу тока тоже необходимо снизить.
 - Электрод прилипает к материалу. Зачастую это происходит из-за низкого напряжения в сети, значение которого меньше минимально допустимого при работе с инвертором. Причиной залипания электрода может стать и плохой контакт в гнездах панели, который можно устранить, плотнее зафиксировав платы. Использование удлинителя с сечением провода меньше 2,5 мм 2 или с слишком длинным проводом (более 40 м) может снизить напряжение. Подгоревшие или окислившиеся контакты в электрической цепи тоже могут понизить напряжение.
 - Отсутствует процесс сварки, аппарат при этом включен в сеть. В этом случае нужно проверить наличие массы на свариваемой детали. Проверьте также кабель инвертора на наличие повреждений.
 - Аппарат самопроизвольно отключается. Отключение аппарата происходит в момент включения в сеть трансформатора, после чего срабатывает его защита. Причиной этого может стать замыкание в цепи напряжения. Защита может включаться не только при замыкания проводов между собой или с корпусом, но и при замыкании между витками катушек или пробое конденсаторов. Чтобы отремонтировать полому, сначала нужно отключить трансформатор и найти неисправность, после чего произвести изоляцию или замену поврежденного элемента.
 
Аппарат сварочный переменного тока SBM PWM-131
При любой покупке дарим 500 рублей*
–>
Описание товара Доставка Оплата Гарантии
Компактная конструкция удобна для работы и транспортировки
Защита от перегрева, которая отключает аппарат от сети питания при нагреве выше допустимой температуры
Напряжение/частота тока – 230 В/50 Гц
Потребляемая мощность – 6400 Вт
Диапазон тока 55 – 130 А
1 фаза
Напряжение холостого хода – 48 В
Диаметр электрода 2,0 – 3,2 мм
Предохранитель – 16 А
Масса – 12,25 кг
Комплектация
Держатель электрода, клемма массы, маска сварщика, молоток для удаления окалины
Способы получения товара
Товары со сроками от 3 и более дней поставляются под заказ на условиях предоплаты (частичной, либо полной для юр. лиц)
Сроки доставки в пункт выдачи либо передачи в курьерскую службу обычно совпадают с указанными в ценовом предложении. В некоторых случаях на выбор будут предложены 2 вариант покупки: с минимальной ценой и минимальным сроком доставки.
Доставка заказов по городу Иркутску и до близлежащих населенных пунктов (включая Шелехов) осуществляется нашей курьерской службой, как правило в течение 1-2 рабочих дней с момента оформления заказа. В Ангарск доставка 1-2 раза в неделю.
Оперативно отправляем во все города Иркутской области:
 
Транспортной компанией или Почтой России
Мы можем отправить Вам заказ любой доступной транспортной компанией во вашему выбору. Наиболее зарекомендовавшие себя компании это: – EMS – по области и России, в любой населенный пункт – ПЭК – Деловые линии – СДЭК – DPD – РАТЭК – ТК Энергия
Небольшие по размерам заказы и весом до 10 кг, мы можем отправить почтой России
Сроки доставки по области и России
– Доставка по Иркутской области: от 1 до 7 дней к указанным срокам отгрузки в карточке товара; в отдельные регионы сроки могут быть выше
– Доставка по России из Иркутска: плюс 3-15 дней к указанному сроку доставки в карточке товара
Основные характеристики Сварочный аппарат SBM PWM-131 Тип сварочный аппарат Метод сварки MMA Применение электродуговая сварка Cварочный ток 55 – 130 A Мощность – 6.4 кВт Напряжение на дуге без загрузки макс. 48 В (при пост. токе) Сварочный материал – сварочный электрод (с рутиловым покрытием)мин. Ø 2 мм / макс. Ø 3.2 мм Свойства / особенности – защита от перегрева Дополнительные характеристики Сварочный аппарат SBM PWM-131 Электропитание – 230 В • 50 Гц – 1 фаза Предохранитель 16 А Размеры, вес основное устройство: 12.25 кг
В наличии лишь 2
Войти
Уже зарегистрированы? Войдите здесь.
Сейчас на странице 0 пользователей
Нет пользователей, просматривающих эту страницу.
Сварочные инверторы Fubag
часто приносят в ремонт с сопутствующими комментариями — «включается но не варит » или «работает но тока нет «.
Эти модели имеют весьма своеобразную конструкцию силового блока.
В большинстве случаев отгорают стойки идущие от вторичной обмотки силового трансформатора. В этом случае аппарат перестает варить, как говорят «нет тока
Вот чтобы ток появился необходимо восстановить соединение стойки с платой силового блока, проще говоря припаять ее.
Сказать то проще, сделать немного посложнее.
Во первых вооружившись этим гаджетом: Светящийся паяльник
Отпаиваем плату от силового блока.
Вот теперь мы получили доступ ко всем оторванным и отгоревшим стойкам, можно приступать к восстановлению.
Восстановленный таким образом инвертор Fubag еще может послужить своему владельцу.
Внимание! Чтобы не возникло осложнений при ремонте сварочного инвертора своими руками — будьте аккуратны, вся ответственность на вас. Ремонт сварочных инверторов Fubag и других производителей
Ремонт сварочных инверторов Fubag и других производителей.
Ещё по теме:
- Ремонт сварочного инвертора FUBAG IN130
 - Жарим FUBAG — гриль для инверторов
 - Ремонт сварочного инвертора GYSMI 131
 - Ремонт сварочного инвертора FUBAG IN160
 - Ремонт сварочного инвертора GYSMI 145
 
Элементы электрической схемы сварочных инверторов
Принципиальная электрическая схема инверторного сварочного аппарата предусматривает сочетание нескольких элементов, которые связаны между собой. Основными можно назвать:
- Блок, отвечающий за подачу энергии к силовой части. Этот элемент представлен сочетанием нескольких устройств, которые способны изменять параметры тока до требуемых значений. Как правило, включается емкостный фильтр и выпрямитель.
 - В устройство входит силовой трансформатор. Также в блок питания сварочного инвертора входит транзистор 4n90.
 - Отдельный элемент отвечает за питание слаботочной части конструкции.
 - Для контроля основных параметров устанавливается ШИМ контроллер. Он представлен сочетанием датчика тока нагрузки и трансформатора.
 - Отдельный блок отвечает за защиту конструкции от воздействия тепла. При прохождении электрического тока некоторые элементы могут серьезно нагреваться. Поэтому дополнительно устанавливается охлаждающий модуль, представленный вентилятором и датчиком температуры.
 - Блоки управления, которые позволяют устанавливать основные параметры, а также элементы индикации.
 

Пример принципиальной схемы для тока 250А
Оборудование диодного моста для сварочного аппарата производится и устанавливается с учетом мощности устройства и некоторых других моментов. Каждый аппарат имеет свои особенности, которые рассмотрим далее подробно.
Сварочный аппарат переменного тока, 6,4 кВт. PWM-131
Наличие товара в гипермаркетах:
- Дарвин Солнечногорск – 0 шт.
 - Дарвин Подольск – 0 шт.
 - Дарвин Зеленоград – 0 шт.
 - Дарвин Пушкино – 0 шт.
 - – 0 шт.
 
Мы рады приветствовать вас на официальном сайте сети садовых гипермаркетов «Дарвин». Наши гипермаркеты служат источником вдохновения для сотен тысяч людей увлеченных садом и загородной жизнью, для тех кто считает выходной день – еще одним прекрасным поводом сделать что-то приятное, для тех, для кого работа в саду – приносит исключительно положительные эмоции!
В нашем каталоге вы всегда можете найти: уличные растения для вашего сада от ведущих питомников России и мира, средства по уходу за любыми растениями, товары для отдыха в саду и многое другое. Посетив наши гипермаркеты вы сможете не только совершить выгодную покупку, но еще и поучаствовать в еженедельных мастер-классах, получить заряд вдохновения для новых свершений в саду, а так же получить профессиональную консультацию по любому вопросу от наших чутких консультантов.
Сейчас Дарвин – это 4 гипермаркета в Солнечногорске, Подольске, Зеленограде и Пушкино, свыше 30 000 товарных позиций на любой вкус и кошелек, более 10 000 квадратных метров площади, каждый метр из которой дарит своим посетителям массу положительных эмоций!
Мы будем рады видеть вас в одном из наших гипермаркетов!
1 Стоит ли покупать сварочный инвертор Gysmi?
Фирма «GYS» появилась в середине 1960-х годов. Долгое время она работала исключительно на удовлетворение внутренних потребностей французских потребителей в надежных и современных сварочных агрегатах. Но в новом тысячелетии компания стала активно осваивать мировой рынок.
На данный момент порядка трети сварочного оборудования своего производства она отправляет в другие страны. Немало инверторов попадает и в нашу страну.
Поначалу отечественные потребители с огромным восторгом отнеслись к появлению в наших специализированных магазинах сварочной техники под маркой «GYS». Им импонировало то, что она производилась по инновационной технологии под названием «IMS». Суть ее в том, что любой аппарат для сварки описываемого бренда располагал одной-единственной платой, находящейся на алюминиевом массивном корпусе инвертора. За счет этого сварочная техника компании представляет собой компактный агрегат с идеальным (без преувеличения) соотношением геометрических размеров, массы и производительности.

Непосредственно платы монтируются на аппарат в условиях комплексного высокотехнологичного производства, где все сборочные операции выполняются без участия человека роботизированными машинами. Электронные платы имеют высокий уровень надежности, каждый их составной элемент неоднократно проверяется, благодаря чему качество готовой продукции «GYS» можно считать безупречным. Но, как вы сами понимаете, в процессе эксплуатации любая техника выходит из строя. Вот тут-то и кроется главный недостаток рассматриваемых сварочных инверторов.

По большому счету, это не было бы большой проблемой, если бы техника «GYS» работала без сбоев на протяжении длительного времени. Но в последние годы компания старалась максимально снизить стоимость своих агрегатов, идя навстречу пожеланиям покупателей. Итогом такого снижения стало и уменьшение качества продукции. Ломаться она стала намного чаще.
Если вы присмотрели для себя, например, аппарат Gysmi 161, пользующийся популярностью у российских сварщиков, либо не менее востребованный Gysmi 131, будьте готовы и к еще одной проблеме, связанной с их эксплуатацией. Коэффициент их полезного действия не столь высок, как хотелось бы потребителям. При наибольших допустимых нагрузках время перерыва во время сварки для них составляет не менее 70 процентов, а при номинальных вы сможете использовать, допустим, инвертор Gysmi 165, не больше половины цикла сварки.
Неисправности инверторных устройств
Перед ремонтом инверторного сварочного аппарата своими руками желательно ознакомиться с принципом действия, а также с его электронной схемой. Их знание позволит быстрее выявить причины поломок и постараться своевременно устранить их.
Электрическая схема
В основу работы этого устройства заложен принцип двойного преобразования входного напряжения и получения на выходе постоянного сварочного тока путём выпрямления высокочастотного сигнала.
Использование промежуточного сигнала высокой частоты позволяет получить компактное импульсное устройство, располагающее возможностью эффективной регулировки величины выходного тока.
Поломки всех сварочных инверторов условно можно разделить на следующие виды:
- неисправности, связанные с ошибками в выборе режима сварки;
 - отказы в работе, обусловленные выходом из строя электронного (преобразовательного) модуля или других деталей устройства.
 
Метод выявления неисправностей инвертора, связанных с нарушениями в работе схемы, предполагает последовательное выполнение операций, производимых по принципу «от простого повреждения – к более сложной поломке». С характером и причиной поломок, а также со способами ремонта более подробно можно ознакомиться в сводной таблице.
Там же приводятся данные по основным параметрам сварки, обеспечивающие режим безаварийной (без отключения инвертора) работы устройства.
Особенности эксплуатации
Обслуживание и ремонт сварочных аппаратов инверторного типа отличается рядом особенностей, связанных со сложностью схемы этих электронных агрегатов. Для их ремонта потребуются определённые знания, а также умение обращаться с такими измерительными приборами, как цифровой мультиметр, осциллограф и подобные им.
В процессе ремонта электронной схемы сначала производится визуальный осмотр плат с целью выявления обгоревших или «подозрительных» элементов в составе отдельных функциональных модулей.
Если в ходе осмотра никаких нарушений обнаружить не удаётся – поиск неисправности продолжается путём выявления нарушений в работе электронной схемы (проверки уровней напряжения и наличия сигнала в её контрольных точках).
Для этого потребуется осциллограф и мультиметр, приступать к работе с которыми следует лишь при наличии полной уверенности в своих силах. Если возникли какие-либо сомнения по поводу своей квалификации – единственно верным решением будет отвезти (отнести) прибор в специализированную мастерскую.
Специалисты по ремонту сложных импульсных устройств оперативно найдут и устранят возникшую неисправность, а заодно и проведут техобслуживание данного агрегата.
Порядок самостоятельного ремонта
В случае принятия решения о самостоятельном ремонте платы – рекомендуем воспользоваться следующими советами опытных специалистов.
При обнаружении в ходе визуального осмотра сгоревших проводов и деталей следует заменить их новыми, а заодно и переткнуть все разъёмы, что позволит исключить вариант пропадания контакта в них.
Если такой ремонт не привел к желаемому результату – придётся начать поблочное обследование цепей преобразования электронного сигнала.
Для этого необходимо найти источники, в которых приводятся эпюры напряжений и токов, предназначенные для более полного понимания работы этого агрегата.
Ориентируясь на эти эпюры с помощью осциллографа можно последовательно проверить все электронные цепочки и выявить узел, в котором нарушается нормальная картинка преобразования сигнала.
При сомнениях в работоспособности этой платы можно попробовать заменить её исправной (от другого, работающего инвертора) и попытаться вновь запустить сварочный аппарат.
В случае благоприятного исхода останется только отдать свою плату в ремонт или заменить её купленной новой. Таким же образом следует поступать и при появлении подозрений в исправности всех других модулей или блоков сварочного аппарата.
В заключении напомним, что ремонт любых сварочных агрегатов (и инверторов, в частности) считается достаточно сложной процедурой, требующей определённых навыков и умения обращаться со сложной измерительной техникой.
При наличии малейших сомнений в своём профессионализме следует воспользоваться помощью специалистов и предоставить им возможность вернуть неисправный аппарат в работу.
Виды инверторных источников сварочного тока
			Корпус с вентилятором системы охлаждения.
			Принципиальная схема аппаратов инверторного типа Для того чтобы понимать суть работы современного сварочного агрегата, необходимо знать из каких блоков состоит принципиальная схема сварочного инвертора, который обеспечивает энергией дугу короткого замыкания при сварочном процессе.
			Оно состоит из 2—4 конденсаторов и дросселя.
			Эти ситуации могут происходить по причине недостаточного охлаждения силовых элементов при высокой температуре окружающего воздуха, а также при работе в условиях запылённой или слишком влажной атмосферы. Причем использование последнего сейчас признается более разумным. Как работает сварочный инвертор Формирование тока большой силы, при помощи которого создается электрическая дуга для расплавления кромок соединяемых деталей и присадочного материала, — это то, для чего предназначен любой сварочный аппарат.
			Этот элемент подает на силовую часть сварочного агрегата электроток. Давайте немного подробнее разберемся с описанной схемой.
			
			В условиях повышенной влажности могут возникать утечки, которые также могут привести к неисправности. Электрическая схема инвертора включает в себя следующие обязательные компоненты: Питающий блок.
Важным этапом является решение задачи, связанной с выбором необходимой технологии, оптимизирующей работу силовой части. В устройство входит силовой трансформатор. Для улучшения теплового контакта нужно использовать кремнийорганическую термопасту.
			Если он попросту закипает, значит, в схеме есть недочеты и работу лучше не продолжать. Понижение высокочастотного напряжения; 4. Исключительная стабильность напряжения, подаваемого на сварочную дугу, обеспечивается за счет автоматических элементов электрической схемы инвертора. Поэтому в случае ремонта заменять диоды в выходном выпрямителе следует именно быстродействующими.
			Ремонт сварочного инвертора Ресанта 190А. Не включается .Repair welding inverter 190A Resanta
Power Electronics • Просмотр темы
а «очкую» («очковал», теперь отпустило) я потому, что не могу (не мог) посмотреть нормально осциллограммы на 20-пиновом соединении, у меня два осцила: С1-94, ОМЛ-3М, и на обоих синхронизация шалит, я вижу, что импульсы есть, а какие, разглядеть не могу, надо осцилограф менять ещё раз проверил плату питания и управления, ничего больше неисправного не обнаружил
схем эта https://valvolodin.narod.ru/schems/GYSMI-165.pdf проверял так: к плате прикрутил мостик, контакт MES_I закоротил на -HT, измерения проводил на контактах Cde_GB и -HT — это нижнее плечо, Cde_GH и M_16V_H — это верхнее плечо взял мультиметр цифровой GDM-354A, наверняка, китайский, но частоту измеряет до 15Мгц: померил частоту — меняется от 66 до 85 кГц и ещё есть режим измерения коэффициента заполнения импульса — показания тоже изменяются от 0 до 43% может процик мудрует? потом обратил внимание (сразу не заметил, он листом бумаги был накрыт) индикатор мигает примерно через 2 сек, ну, это я думаю, из-за того, что тока (напряжения) на выходе нет, сила то не подключена может чего и не так делал. на форуме поискал, чего то подобного не нашел на мастерсити похожее было, типа неисправна l6386, но не факт изучил ещё раз схему, должен же быть контроль работы инвертора проциком, думал, что по цепи «Sortie Soudage (VRD)» или по «Info Soudage» сначала подключил к выходным клеммам источник напряжения 25В результат тот же потом подключил +16В к «–» диоду D07_02S, минус 16В к минусу вентилятора… и всё стало как надо: индикатор не мигает, частота 85,6кГц, КЗИ — 42,9%, на индикаторе 10
даже осциллограммы получилось посмотреть. 5В/дел и 2 мкс/дел верхнее плечо нижнее плечо хотя больше похоже на 4В/дел, пощупал на V_16V_H, да, где то так. теперь можно и силу подключать но, наверное, после праздника valvol.ru
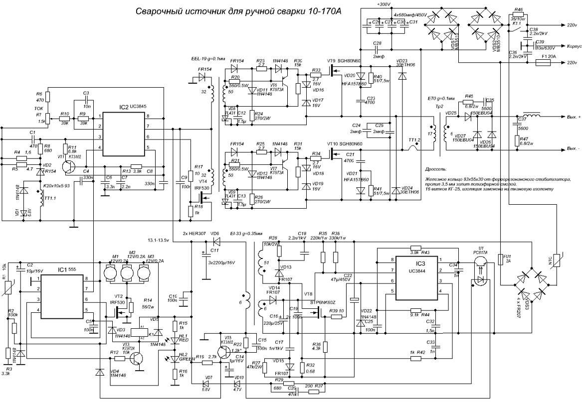
Cхемы сварочных инверторов
Возможные неисправности и способы их устранения Даже надёжные электронные компоненты могут иногда выходить из строя, поломки случаются при неправильной эксплуатации сварочных инверторов.
Все сварочные аппараты делятся на несколько основных групп: Для проведения электродуговой сварки при применении покрытых специальным составом электродов применяется оборудование типа ММА. Далее мы приводим блок-схему функционирования стандартного инвертора, которая наглядно демонстрирует принцип его применения. Возможные неисправности и способы их устранения Даже надёжные электронные компоненты могут иногда выходить из строя, поломки случаются при неправильной эксплуатации сварочных инверторов.
Пайка платы.
Выводы Инвертор — сложное электронное устройство, но простое в использовании, его подключают к электрической цепи с напряжением V и без опасения проводить сварочные работы. При испытаниях следует добавлять витки до тех пор, пока дуга не начнёт ощутимо сильно тянуться, мешая отрыву.
Схемы аппаратов Сварис
Конденсаторы, установленные в фильтре, после активации зарядки способны выдавать большой силы ток, который сжигает, поэтому инвертор обеспечивается плавным пуском. Несмотря на применение схожей схемы при создании практически всех инверторов, они существенно отличаются друг от друга. Электрическая схема предполагает работу агрегата на основе импульсных преобразователей высокой частоты. Обычные выпрямительные диоды с такой задачей бы не справились — они бы просто не успевали открываться и закрываться, нагревались и выходили бы из строя.
Возможные неисправности и способы их устранения Даже надёжные электронные компоненты могут иногда выходить из строя, поломки случаются при неправильной эксплуатации сварочных инверторов. Модуль ключей представлен четырьмя транзисторами в каждой из четырех групп. Затем происходит выравнивание тока при наличии конденсатора и его поступление к блоку транзистора.
Принципиальная электрическая схема в деталях: составляющие
Таким образом, на первом этапе мы получаем на выходе с выпрямителя постоянный ток, имеющий значение более V. Ранее в сварочных инверторах использовались трансформаторы, очень мощные, работающие за счет обмотки трансформатора и имеющие, из-за этого, размеры и вес, делающие сварочные аппараты громоздкими и неудобными в применении. Инверторное устройство еще раз преобразовывает электроток теперь уже в переменный , увеличивая при этом его частоту.
			Через них протекают огромные токи. Часть 1. При устройстве вторичной обмотки витки наматываются в несколько слоев. Если напряжение провода меньше В, значит, устройство неисправно.
			Схема китайского инвертора
Самопроизвольное отключение
В некоторых случаях ремонт можно провести самостоятельно, если аппарат начал самопроизвольно отключаться. Большинство моделей сварочных аппаратов оснащено защитной схемой (автоматом), срабатывающей в критической ситуации, сопровождающейся отклонением от нормальной работы. Один из вариантов такой защиты предполагает блокировку работы устройства при отключении вентиляционного модуля.
После самопроизвольного отключения сварочного аппарата, прежде всего, следует проверить состояние защиты и попытаться возвратить этот элемент в рабочее состояние.
При повторном срабатывании защитного узла необходимо перейти к поиску неисправности по одной из описанных выше методик, связанных с замыканиями или неисправностью отдельных деталей.
В этой ситуации в первую очередь следует убедиться в том, что узел охлаждения агрегата работает нормально, и что перегрев внутренних пространств исключён.
Бывает и так, что узел охлаждения не справляется со своими функциями из-за того, что сварочный аппарат в течение длительного времени находился под нагрузкой, превышающей допустимую норму. Единственно верное решение в этом случае – дать ему «отдохнуть» порядка 30-40 минут, после чего попытаться вновь включить.
При отсутствии внутренней защиты предохранительный автомат может быть установлен в электрическом щитке. Для поддержания нормального функционирования сварочного агрегата его настройки должны соответствовать выбранным режимам.
Так, некоторые модели таких аппаратов (сварочный инвертор, в частности) в соответствии с инструкцией должны работать по графику, предполагающему перерыв на 3-4 минуты после 7-8-ми минут непрерывной сварки.
Залипание электрода (прерывание дуги)
Причиной залипания электрода и прерывания дуги может быть снижение напряжения из-за короткого замыкания в обмотках трансформатора, неисправности диодов или ослабления соединительных контактов. Также возможен пробой конденсаторного фильтра или замыкания отдельных деталей на корпус сварочного аппарата.
К причинам организационного характера, вследствие которых аппарат не варит как надо, можно отнести чрезмерную длину сварочных проводов (более 30 метров).
Если залипание сопровождается сильным гудением трансформатора – это также свидетельствует о перегрузке в нагрузочных цепях прибора или замыкании в сварочных проводах.
Одним из вариантов ремонта с устранением этих эффектов может стать восстановление изоляции соединительных кабелей, а также подтяжка ослабевших контактов и клеммников.
Частые неисправности
Основными проявлениями неполадок аппаратов электродуговой сварки являются:
- прибор не включается при подсоединении к электросети и запуске;
 - залипание электрода с одновременным гулом в районе преобразователя;
 - самопроизвольное отключение сварочного аппарата в случае его перегрева.
 
Ремонт всегда начинается с осмотра сварочного аппарата, проверки питающего напряжения. Провести ремонт трансформаторных сварочных аппаратов несложно, к тому же они непривередливы в обслуживании. У инверторных аппаратов определить поломку сложнее, а ремонт в домашних условиях зачастую невозможен.
Однако при правильном обращении инверторы служат долго, и не ломаются. Необходимо защищать от пыли, высокой влажности, мороза, хранить в сухом месте. Есть наиболее характерные неисправности сварочных аппаратов, устранить которые можно своими руками.



























